时间:2019-08-02 14:22
人气:
作者:admin
正弦波逆变器广泛运用于各类:微机系统、通信系统、家用、航空、应急、通讯、工业设备、卫星通信设备、军用车载、医疗救护车、警车、船舶、太阳能及风能发电领域等需要应急后备电源的场所,可构成EPS应急电源系统。
在介绍正弦波逆变器工作原理之前,先介绍一下逆变器的工作原理。
逆变器是一种DCtoAC的变压器,它其实与转化器是一种电压逆变的过程。转换器是将电网的交流电压转变为稳定的12V直流输出,而逆变器是将Adapter输出的12V直流电压转变为高频的高压交流电;两个部分同样都采用了用得比较多的脉宽调制(PWM)技术。其核心部分都是一个PWM集成控制器,Adapter用的是UC3842,逆变器则采用TL5001芯片。TL5001的工作电压范围3.6~40V,其内部设有一个误差放大器,一个调节器、振荡器、有死区控制的PWM发生器、低压保护回路及短路保护回路等。
输入接口部分:输入部分有3个信号,12V直流输入VIN、工作使能电压ENB及Panel电流控制信号DIM。VIN由Adapter提供,ENB电压由主板上的MCU提供,其值为0或3V,当ENB=0时,逆变器不工作,而ENB=3V时,逆变器处于正常工作状态;而DIM电压由主板提供,其变化范围在0~5V之间,将不同的DIM值反馈给PWM控制器反馈端,逆变器向负载提供的电流也将不同,DIM值越小,逆变器输出的电流就越大。
电压启动回路:ENB为高电平时,输出高压去点亮Panel的背光灯灯管。
PWM控制器:有以下几个功能组成:内部参考电压、误差放大器、振荡器和PWM、过压保护、欠压保护、短路保护、输出晶体管。
直流变换:由MOS开关管和储能电感组成电压变换电路,输入的脉冲经过推挽放大器放大后驱动MOS管做开关动作,使得直流电压对电感进行充放电,这样电感的另一端就能得到交流电压。
LC振荡及输出回路:保证灯管启动需要的1600V电压,并在灯管启动以后将电压降至800V。
输出电压反馈:当负载工作时,反馈采样电压,起到稳定I逆变器电压输出的作用。

正弦波逆变器与普通逆变器的区别是它输出的波形是个完整的正弦波,失真率低,因此对收音机及通讯设备无干扰,噪声也很低,保护功能齐全,整机效率高。
而正弦波逆变器之所以能输出完整的正弦波是因为采用了比PWM技术更先进的SPWM技术。
SPWM原理基于脉冲作用于时间函数器件的等效原理:如果脉冲作用于时间函数器件,峰值与作用时间的乘积相等,可近似这些脉冲等效。
SPWM基于固定频率固定峰值(如开关频率10k)的三角波与变频变压的参考正弦波(基波)进行比较,从而将直流电压脉冲化(占空比变化的脉冲),以近似参考正弦波作用于器件上。调整参考正弦波的幅值和频率,从而产生不同幅值和频率的等效参考正弦波的直流电压脉宽调制波。

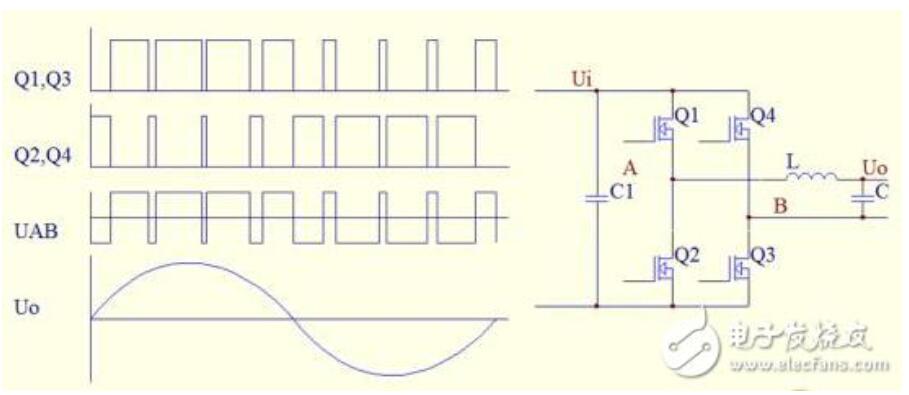
示出正弦波逆变器的输出电压波形。它的优点是输出波形好,失真度很低,且其输出波形与市电电网的交流电波形基本一致,实际上优良的正弦波逆变器提供的交流电比电网的质量更高。正弦波逆变器对收音机和通讯设备及精密设备的干扰小,噪声低,负载适应能力强,能满足所有交流负载的应用,而且整机效率较高;它的缺点是线路和相对修正波逆变器复杂,对控制芯片和维修技术的要求高,价格较贵。在太阳能发电并网应用时,为避免对公共电网的电力污染,也必须使用正弦波逆变器。
正弦波逆变器输出的是同我们日常使用的电网一样甚至更好的正弦波交流电,不存在电网中的电磁污染。简单来说就是运用范围广,负载能力强,稳定性出色。能提供与平常家用相同的交流电。在满足功率的情况下,几乎能够带动任何种类的电器。
正弦波逆变器由于制造成本与技术要求均高,导致最纯正的正弦波逆变器市场售价偏贵,与大众消费产生了一定差距,没有被普及起来。