时间:2019-08-20 09:04
人气:
作者:admin
在电力系统中,两侧电源或单相环网的输电线路,在这样的电网中,为切除线路上的故障,线路两侧都装有断路器和相应的保护,如装设过流保护将不能保证动作的选择性。为解决选择性的问题,在原来的电流保护的基础上装设了方向元件(功率方向继电器)。规定:功率的方向由母线流向线路为正,由线路流向母线为负。由功率方向继电器加以判断,当功率方向为正时动作,反之不动,上述过程即为方向电流保护。
在电网中,各断路器和保护装置都是安装在被保护线路靠近电源的一侧。当线路发生故障时启动都是在短路功率从母线流向被保护线路的情况下,按选择性的条件来协调配合工作的。随着电力系统网络的发展和用户对供电可靠性要求的提高,现代电力系统实际上都是由多电源组成的复杂网络。此时上述简单的保护方式已不能满足系统运行的要求。例如在图所示双侧电源网络接线中,由于两侧都有电源因此在每条线路的两侧均装设断路器和保护装置。当k1点短路时对B侧电源来说,为保证选择性,要求t5》t4,而当k2点短路时,又要求t5《t4这两种要求显然是矛盾的。

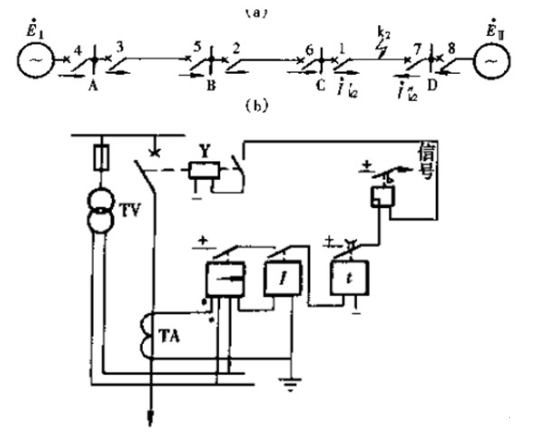
为了解决上述矛盾在每个断路器的电流保护中增加一个功率方向测量元件并规定该元件只有当短路功率从母线流向线路(为正)时动作而当短路功率从线路流向母线(为负)时不动作从而使继电保护的动作具有一定的方向性。当双侧电源网络上的电流保护装设方向元件后,就可以把它们拆开成两个单侧电源网络的保护,图中保护1、3、5是一个系统,它负责切除由电源A供给的短路功率保护;2、4、6是另一个系统,它负责切除由电源B供给的短路功率。这样保护4和保护5的过电流保护动作时间已不再需要进行配合,而仅需要功率方向相同的过电流保护动作时间进行配合技阶梯原则应满足t1》t3》t5和t6》t4》t2。由以上分析可知方向过电流保护就是在原有保护的基础上,增设一个方向闭锁元件,以保证在反方向故障时将保护闭锁起来,防止发生误动作方向过电流保护的单相原理接线图如图2所示,它主要由方向元件、电流元件、时间元件和信号元件等组成。图中方向元件和电流元件的触点串联,只有当两个元件都动作时保护才能动作跳闸。
前面所讲的三段式电流保护是以单侧电源网络为基础进行分析的,各保护都安装在被保护线路靠近电源的一侧,在发生故障时,它们都是在短路功率从母线流向被保护线路的情况下,按照选择性的条件和灵敏性的配合来协调工作的。
短路功率:一般指短路时某点电压与电流相乘所得到的感性功率,在无串联电容也不考虑分布电容的线路上短路时,认为短路功率从电源流向短路点。
目前双侧电源供电较为普遍。
在下图的双侧电源网络接线中,由于两侧都有电源,则在每条线路的两侧均需装设断路器和保护装置。假设断路器8断开,电源
不存在,则发生短路时,保护1、2、3、4的动作情况和由电源
单独供电是一样的,它们之间的选择性是能够保证的。
如果电源
不存在,则保护5、6、7、8由电源
单独供电,此时它们之间也同能够保证动作的选择性。

图1 双侧电源网络接线
如果两个电源同时存在,当
点短路时,按照选择性的要求,应该由距故障点最近的保护2、6动作切除故障。但由电源
供给的短路电流
也将通过保护1,如果保护1采用电流速断且
大于保护装置的起动电流
,则保护1的电流速断就要误动作;如果保护1采用过电流保护且其动作时限
,则保护1的过电流保护也将误动作。
(b)中k2点短路时,本应由保护1和7动作切除故障,但是由电源 供给的短路电流
将通过保护6,如果
,则保护6的电源速断要误动作;如果过电流保护的动作时限
,则保护6的过电流保护也要误动作。其他亦如此。

图2 方向过电流保护的原理接线图
方向性继电保护的主要特点就是在原有保护的基础上增加一个功率方向判别元件,以在反方向故障时保证保护不致误动作。
原理图如上图所示,主要由方向元件、电流元件和时间元件组成,方向元件和电流元件必须都动作之后,才能去起动时间元件,再经过预定的延时后动作于跳闸。