时间:2019-07-08 14:54
人气:
作者:admin
通常我们的电子产品,为防止用户将正负极接反,会对接口做防反接保护。 比如接口做成梯形或者开个缺口,反了不容易插进,但你真的永远不知道你的产品用户是萌妹纸还是暴力怪蜀黍,最终,这些防接反设计还是被突破了,被暴力插了进去…插进去了…对于一些工控类产品,更是只提供接线端子的方式,虽然在外壳和端子上有标识出正负极,但总难免用户出现粗心大意的时候。
因此需要采用电源反接保护电路。
1,通常情况下直流电源输入防反接保护电路是利用二极管的单向导电性来实现防反接保护。如下图1示:
这种接法简单可靠,但当输入大电流的情况下功耗影响是非常大的。以输入电流额定值达到2A,如选用Onsemi的快速恢复二极管 MUR3020PT,额定管压降为0.7V,那么功耗至少也要达到:Pd=2A×0.7V=1.4W,这样效率低,发热量大,要加散热器。
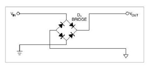
2,另外还可以用二极管桥对输入做整流,这样电路就永远有正确的极性(图2)。这些方案的缺点是,二极管上的压降会消耗能量。输入电流为2A时,图1中的电路功耗为1.4W,图2中电路的功耗为2.8W。

图1,一只串联二极管保护系统不受反向极性影响,二极管有0.7V的压降

图2 是一个桥式整流器,不论什么极性都可以正常工作,但是有两个二极管导通,功耗是图1的两倍
产品在进行设计时就会考虑“反接保护”这个问题,顾客只是简单的利用插头进行电源的连接,所以如果反接的话就会出现电路短路的情况,造成电路烧毁,带来不必要的损失。
1)采用反插错接头,这是种简单,低价而有效的方法。
2)利用二极管的单向导电性进行反接保护,当接反时二极管截止

由于二极管有压降,在它上面会产生压降,在它上面会产生额外的功耗,因此较原来的电路会稍微耗电一些。
3)当然通过整流桥也可以做到反接保护这一点,同样是利用二极管的单向导电性,并且无论电路正反均可正常工作,但更耗电。
4)使用PMOS管做反接保护,使用时让电源输入方向与寄生二极管方向一致,当人们误反接时,US=UG(即GS间压差为0,管子处于截止状态)

再如:

5)NMOS做反接保护,当误接反时,NMOS的栅极的电压为0,mos管处于截止状态,从而保护了电路
使用MOS管作为反接保护的优点:在正向导通时,适当加合适的电压,可以让MOS管饱和导通,且内阻较小,基本产生的功耗可忽略不计。NMOS管的导通电阻比PMOS的小,最好选NMOS。
上一篇:2019-2023年全球太阳能电缆系统市场规模将增长
下一篇:MOS管防反接用法