时间:2019-07-24 08:44
人气:
作者:admin
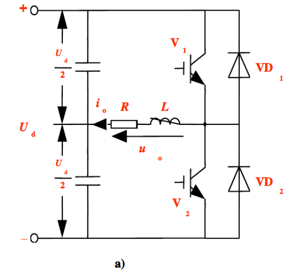
单相半桥逆变电路及有关信号波形如图3-19所示。C1、C2是两个容量很大且相等的电容,它们将电压Ud分成相等的两部分,使B点电压为Ud/2,三极管VT1、VT2基极加有一对相反的脉冲信号,VD1、VD2为续流二极管,R、L代表感性负载(如电动机就为典型的感性负载,其绕组对交流电呈感性,相当于电感L,绕组本身的直流电阻用R表示)。。

图3-19 单相半桥逆变电路及有关信号波形
电路工作过程如下。
在t1~t2期间,VT1基极脉冲信号Ub1为高电平,VT2的Ub2为低电平,VT1导通、VT2关断,A点电压为Ud,由于B点电压为Ud/2,故R、L两端的电压Uo为Ud/2,VT1导通后有电流流过R、L,电流途径是:Ud+→VT1→L、R→B点→C2→Ud-,因为L对变化电流的阻碍作用,流过R、L的电流I0将慢慢增大。
在t2~t3期间,VT1的Ubl为低电平,VT2的Ub2为高电平,VT1关断,流过L的电流突然变小,L马上产生左正右负的电动势,该电动势通过VD2形成电流回路,电流途径是:L左正→R→C2→VD2→L右负,该电流方向仍是由右往左,但电流随L上的电动势下降而减小,在t3时刻电流I0变为0。在t2~t3期间,由于L产生左正右负电动势,A点电压较B点电压低,即R、L两端的电压Uo极性发生了改变,变为左正右负,由于A点电压很低,虽然VT2的Ub2为高电平,VT2仍无法导通。
在t3~t4期间,VT1基极脉冲信号Ub1仍为低电平,VT2的Ub2仍为高电平,由于此时L上的左正右负电动势已消失,VT2开始导通,有电流流过R、L,电流途径是:C2上正(C2相当于一个大小为Ud/2的电源)→R→L→VT2→C2下负,该电流与t1~t3期间的电流相反,由于L的阻碍作用,该电流慢慢增大。因为B点电压为Ud/2,A点电压为0(忽略VT2导通压降),故R、L两端的电压Uo大小为Ud/2,极性是左正右负。
在t4~t5期间,VT1的Ub1为高电平,VT2的Ub2为低电平,VT2关断,流过L的电流突然变小,L马上产生左负右正的电动势,该电动势通过VD1形成电流回路,电流途径是:L右正→VD1→C1→R→L左负,该电流方向由左往右,但电流随L上电动势下降而减小,在t5时刻电流I0变为0。在t4~t5期间,由于L产生左负右正电动势,A点电压较B点电压高,即Uo极性仍是左负右正,另外因为A点电压很高,虽然VT1的Ub1为高电平,VT1仍无法导通。
t5时刻以后,电路重复上述工作过程。
半桥式逆变电路结构简单,但负载两端得到的电压较低(为直流电源电压的一半),并且直流侧需采用两个电容器串联来均压。半桥式逆变电路常用在几千瓦以下的小功率逆变设备中。

在直流侧接有两个相互串联的足够大的电容,两个电容的联结点是直流电源的中点。
半桥逆变电路有两个桥臂,每个桥臂有一个可控器件和一个反并联二极管组成。 负载联结在直流电源中点和两个桥臂联结点之间。 设开关器件V1和V2栅极信号在一周期内各半周正偏、半 周反偏,两者互补。当负载为感性时,工作波形如图所示


t3时刻io降为零时,VD2截止,V2开通,io开始反向并逐渐增大。
t4时刻给V2关断信号,给V1开通信号,V2关断,VD1先导通续流,t5时刻V1才开通。

V1或V2通时,负载电流io和电压uo同方向,直流侧向负载提供能量 VD1或VD2通时,io和uo反向,负载电感中贮藏的能量向直流侧反馈 负载电感将其吸收的无功能量反馈回直流侧,反馈 回的能量暂时储存在直流侧电容器中,直流侧电容 器起着缓冲这种无功能量的作用。
可控器件是不具有门极可关断能力的晶闸管时,须附加强迫换流电路才能正常工作。
优点 : 简单,使用器件少
缺点 : 输出交流电压幅值Um仅为Ud/2,直流侧需两电容器串联,工作时要控制两个电容器电压均衡
半桥逆变电路常用于几kW以下的小功率逆变电源