时间:2019-06-05 14:01
人气:
作者:admin
开关柜的主要部分包括:真空断路器、电流互感器、就地安装的微机保护装置、操作回路附件(把手、指示灯、压板等等)、各种位置辅助开关。其中,断路器与电流互感器安装在开关柜内部,微机保护、附件、电度表安装在继电器室(沿用以前的叫法,其实已经没有继电器了)的面板上,端子排与各种电源空气开关安装在继电器室内部,端子排通过控制电缆或专用插座与断路器机构连接。
从下图可以看出。需要接入的CT模拟量为A、B、C、相电流。(当然有些工程中接入的是A、C两相,不完全星形法)微机保护装置上也可以显示出一次电气量,电气量取自保护级。如果对精度有特殊要求。可以取测量级串接电流表既可

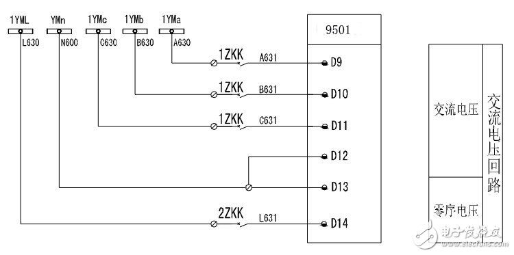
从上图可以看出需要接入的PT模拟量为A、B、C、相电压。当然如果有需要可以接入零序电压进行零序电压保护。由图可以看出此接法为星形/星形接法。如果是V/v接法把D9和D12短接既可。

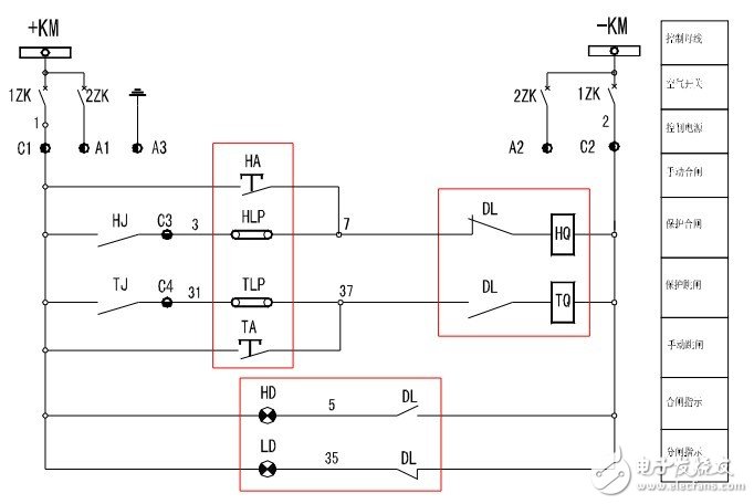
从上图可以看出。95X的操作回路整体比较简单。直观。比传统的综保操作和使用起来更加的方便。通俗易懂。更容易上手操作。红色框内的设备并不是95X的一部分,它们由开关柜厂家提供,安装在继电器室面板上。和连接到断路器合位位置的。

以上为装置的遥信(开关量)回路。与110kV电压等级设备的保护装置不同,35/10kV设备的保护、测控是一体化设计,即整合在一个装置中。除去断路器位置。其它的开入量均可能自行定义。同时还提供一路报警开入信号。可以实现非电量跳闸的信号开入。
