时间:2019-05-01 18:05
人气:
作者:admin
Maxim公司的MAX77860是USB Type-C 3A开关模式降压充电器,集成了CC检测和BC1.2检测和ADC.该充电器集成了两个开关,使用小型电感和电容尺寸,可编程充电电流,非常适合用在手持设备如智能手机,IoT设备和其它锂电池电子设备。充电器具有单输入,可工作于USB和高压适配器。支持BC 1.2标准下的USB Type-C CC检测,芯片还集成了电源通路开关,USB-OTG输出提供真负载断开功能,并可调整输出电流限制,而输入电流限制高达4.0A,单电池充电电流高达3.15A;当配置在反向升压模式,器件就不需要另外电感器。高达14V保护,充电器具有D+/D-充电检测,CC,CV和芯片温度控制,主-从充电功能,高达6A充电电流,支持USB-OTG反向升压,高达1.5A电流限制。本文介绍了MAX77860主要优势和特性,框图和功能框图,典型应用电路图以及评估板MAX77860 EVK主要特性,电路图,建立图和材料清单。
The MAX77860 is a high-performance single input switch mode charger that features USB Type-C CC detection capability in addition to reverse boost capability and a Safeout LDO.
This switched-mode battery charger with two integrated switches, provides small inductor and capacitor sizes, programmable battery charging current, and is ideally suited for portable devices such as smartphones, IoT devices, and other Li-ion battery powered electronics. The charger features a single input, which works for both USB and high voltage adapters. It supports USB Type-C CC detection under BC 1.2 specification, and the power-path switch is integrated in the chip. All MAX77860 blocks connected to the adapter/USB pin are protected from input overvoltage events up to 14V. The USB-OTG output provides true-load disconnect and is protected by an adjustable output current limit. It has an input current limit up to 4.0A, and can charge a single-cell battery up to 3.15A. When configured in reverse-boost mode, the IC requires no additional inductors to power USB-OTG accessories. The switching charger is designed with a special CC, CV, and die temperature regulation algorithm, as well as I2C programmable settings to accommodate a wide range of battery sizes and system loads. The on-chip ADC can help monitor the charging input voltage/current, battery voltage, charging/discharging current, and the battery temperature.
The MAX77860 communicates through an I2C 3.0 compatible serial interface consisting of a bidirectional serial data line (SDA) and a serial clock line (SCL)。 The IC is available in a 3.9mm x 4.0mm, 81-bump (9 x 9 array), 0.4mm pitch, wafer-level package (WLP)。
MAX77860主要优势和特性:
● Single-Input Switch Mode Charger
• Up to 14V Protection
• 4.0V to 13.5V Input Operating Range
• Switching Charger with D+/D- Charger Detection
• Up to 4.0A Input Current Limit with Adaptive Input Current Limit (AICL)
• Up to 3.15A Battery Charging Current Limit
• Optional External Sense Resistor
• CC, CV, and Die Temperature Control
• Supports USB-OTG Reverse Boost, up to 1.5A Current Limit
• Master-Slave Charging Capability, up to 6A Charge Current
• Integrated Battery True-Disconnect FET
• Rated up to 9ARMS, Discharge Current Limit (Programmable)
● USB Type-C Detection
• Integrated VCONN Switch
• CC Pin
• D+/D- Detection for USB HVDCP
• BC 1.2 Support
● One Safeout LDO
● I2C-Compatible Interface
MAX77860应用:
● USB Type-C Charging for 1S Li-ion Applications
● Mobile Point-of-Sale Devices
● Portable Medical Equipment
● Portable Industrial Equipment

图1.MAX77860简化框图

图2.MAX77860功能框图

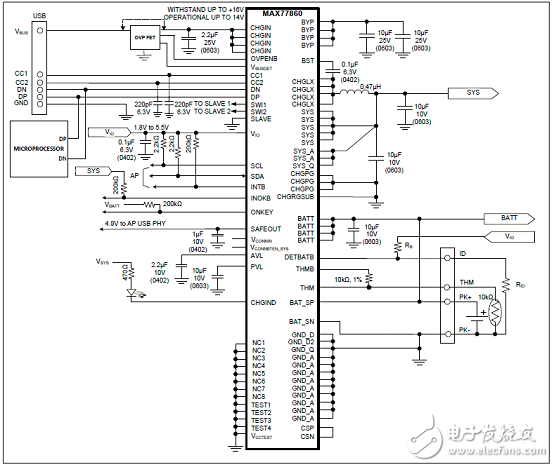
图3.MAX77860典型应用电路图
评估板MAX77860 EVK
The MAX77860 evaluation system (EV system) is a fully assembled and tested surface-mount printed circuit board (PCB) that evaluates the single input switched-mode battery charger featuring USB Type-C CC detection and charging capability in addition to reverse boost capability and a safest LDO.
The MAX77860 EV system includes the integrated circuit (IC) evaluation board with an integrated I2C interface and a MINIQUSB communication device. Windows® based graphical user interface (GUI) software is available for use with the EV system and can be downloaded from the MAX77860 product page on the Maxim website. A Windows 7 or newer operating system is required to use the EV kit GUI software.