时间:2019-03-27 08:07
人气:
作者:admin
本站原创,作者:章鹰,电子发烧友执行副主编。
USB PD今年成为市场的焦点。作为在智能手机全球三强之一的华为,在笔记本电脑上也是增量最快的厂商,其在最新发布的13英寸轻薄本——华为MateBook 13中,采用了主流的USB-C接口,支持USB PD快充并标配了一款65W USB PD快充充电器。拆解网站的报告显示,这款65W USB PD充电器采用了Richtek立锜科技RT7786 与 RT7207K 的完整方案。

Richtek立锜科技的PD充电芯片为何可以赢得华为的订单?立锜的USB PD产品已经经历了数千万级的出货验证,他们在PD方面的技术优势是什么?最新的产品和解决方案有哪些亮点?带着这些问题,电子发烧友记者采访了Richtek立锜科技***总部负责PD产品规划的資深技術行銷經理 詹振輝先生。
图: 立锜科技***总部负责PD产品规划的资深技术行销经理詹振辉先生
USB PD应用市场兴起,智能手机和笔记本电脑市场将推动其成长
根据HIS Technology预测,2018年全球采用Type-C的智能手机出货量达到3亿,2020年将会达到9.44亿,其中中国品牌的手机厂商出货量达到5.66亿部,占全球出货量60%,USB-PD功能成为其中最大的亮点。
詹經理表示,国内市场PD快充芯片快速增行,笔记本电脑使用PD芯片已是标准选项,45W-65W都已经出现,但是目前PD快充芯片使用最多的是手机,华为Mate20系列上市4个月,销量超过千万,带火4000mAh电池成为旗舰手机的标配,未来的5G手机更加耗电,需要配备大容量的电池,大容量电池的快速充电将是增量市场。
“USB-IF组织发布了USB PD 3.0的重要更新,USB PD3.0下的PPS成功完成对QC4、SCP、VOOC等主流快充协议的收编。使得符合USB PD3.0和PPS的充电IC可以实现在各种终端设备上通用,驱动消费者获得更好的体验。Type-C接口不仅充电,而且可以传输声音、数据、视频,这个接口 已应用在例如各类消费电子产品电源供应器,如NB、2合1装置、平板电脑、智能型手机,也包括外围配件如连结基座、dongle、与行动电源等都广泛使用。” 詹經理认为,“PD控制芯片在2019年出货量会有明显的抬升,但具体要看智能手机和笔电旗舰厂商采纳的进度。”
Richtek在USB PD IC领域的三大优势和明星产品
据行业数据显示,立锜PD控制芯片出货量已经达到数千万级别。詹經理表示,客户选择立锜看重我们三大优势:第一、Richtek作为***最大的模拟IC设计厂商,在数位传输芯片上占据领导地位,在USB PD应用于快充,我们拥有技术优势。第二、Richtek是USB PD最早投入的厂商,PD规格从2012年推出,从2015年US-IF推出USB PD2.0,2017升级到USB PD3.0,. 后面是PPS的规格,每次最新推出的规格,Richtek都是第一轮拿到认证标准的少数厂商之一。第三,在USB-C快充领域,Richtek可以提供完整方案,覆盖智能手机、笔记本充电都有能力提供USB PD充电方案。
据充电头网的统计,USB PD快充的手机已经多达52款型号和覆盖15个品牌,其中包括苹果、华为、小米、三星等一线大厂品牌。各大手机厂商和芯片原厂的布局来看,USB PD快充将成为目前手机、游戏机、笔记本电脑等电子设备的首选充电方案,而USB Type-C也将成为下一个十年电子设备之间电力与数据传输的唯一接口。立锜的PD产品线布局正好迎接这一市场趋势。
詹經理介绍说,在充电器和适配器上面,Richtek立锜科技現在主推RichteK7755+ RT7207K的完整方案。

RT7755 是一颗Vdd耐压高达67V的6 pin PWM IC。在5V~20V宽范围输出的时候,Vdd 脚位外部可省去繁复的箝压线路。并自动调整回授,保持输出稳定。
RT7207K 是第二代的 PD 与 同步整流控制整合IC。除PD外,另支持多种其他协议。
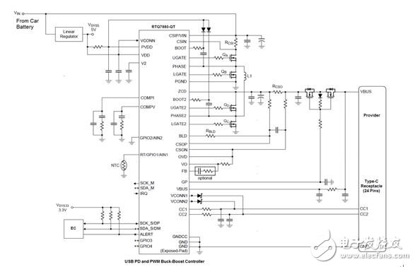
在车载充电领域,Richtek RTQ7880-QT是业界第一款将PD以及PWM buck-boost整合的控制器,已通过USB汽车AEC-Q-100认证。RTQ7880-QT包含ARM CortexTM-M0 MCU,能够支持各种通讯协议,智能控制PWM转换,软件设定各种保护功能,以及其他客制化功能实现。此IC包含各种基于软件设定的保护功能,像VBUS过压保护(VBUS OVP)、VO欠压保护(VO UVP)、以及VCONN限流保护等等,即使在MCU没有激活的情况下,亦能实现保护功能快速响应。RTQ7880-QT以极少的外围器件,简单的PCB layout,为USB PD应用提供了极佳的解决方案。

图:Richtek RTQ7880-QT
在行动电源领域上,立錡推出业界第一颗將PD与双向的升降压芯片整合的方案RT7885A。
現在业界的行动电源整合IC只能將PD 与降压IC 整合。最大充放电速度不易超過20W。
因為RT7885A是將PD与双向升降压IC整合,可支援充放电高达60W 以上。
其他主要功能有:
图:Richtek RT7885A
看好中国USB PD IC市场,多种应用带动厂商业绩增长
詹經理表示,中国市场有庞大的移动装置需要USB PD充电,充电装置市场足够大,行动电源、适配器,笔记本充电市场大。此外,Type-C发展进程中,A口,B口,HDMI口都会继续存在,未来要做一些转接,转接过程中,市场变化和可能性非常多,国内和***厂商可以在这个市场做足够多的创意。2019年,将是USB PD应用爆发之年。
作为行业的资深人士,詹經理观察到,国内USB PD IC厂商,技术实现速度比较***厂商要慢一步,国内厂商强调价格上的优势,但是自身产品的品质要求与欧美客户的要求有距离。如果国内厂商致力于进入苹果充电供应链,他给出三条建议:1、技术领先,2、品质保证;3、在当地服务苹果,在美国当地建立团队,服务苹果,只有满足三个条件,才有资格和机会进入苹果的供应链。
作为PD 电源供应器的领导厂商,立锜将不断致力于PD相关产品的创新与研发,提供给使用者更便利,更安全,与更低成本的解决方案。

图:Richtek 的解決方案