时间:2019-01-17 12:01
人气:
作者:admin
引言
LT8645S 和 LT8646S 是 65 V 同步降压型单片式稳压器,支持 8 A 输出。它们的 Silent Switcher® 2 架构可实现优异的 EMI 性能,这与电路板布局无关。LT8646S 具有 RC 外部补偿功能电路,以优化瞬态响应。
宽输入范围和高输出电流单片式解决方案
当设计用于 48 V 总线系统的降压型转换器时,电源设计师倾向于选择控制器解决方案 (外部 MOSFET),而非尺寸小得多的单片式稳压器 (内部 MOSFET),这是因为,能够处理如此高输入电压的单片式稳压器寥寥无几,其中大多数的输出电流被限制在 5 A 以下。LT8645S/LT8646S 单片式稳压器破除了这一陈规。
LT8645S/LT8646S 的 65 V 输入、高电流单片式 Silent Switcher 2 降压型稳压器接受 3.4 V 至 65 V 的宽输入电压范围,并支持高达 8 A 的输出电流。图 1 示出了一款采用 LT8645S 的完整 12 V 输出 (在 8 A) 解决方案。LT8645S 运用内部补偿,因而可减少外部组件数目并简化设计。旁路电容器的集成进一步缩减了总体解决方案尺寸。如图 2 所示,该解决方案的效率达到 97%。

图 1.采用 LT8645S (在 400 kHz) 的 12 V、8 A 应用电路。

图 2.LT8645S 12 V/8 A 输出效率(图 1 所示设计)。
快速瞬态响应和超低 EMI
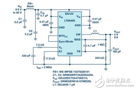
针对特定的应用,只需采用两个外部组件(VC 引脚上的一个电阻器和一个电容器)以优化 LT8646S 的瞬态响应。图 3 示出了 5 V/8 A 输出 LT8646S 解决方案,图 4 则显示了采用优化补偿所实现的负载瞬态响应。

图 3.超低 EMI LT8646S 5 V、8 A 降压型转换器(扩展频谱模式被启用)。

图 4.LT8646S 12 V 至 5 V、2 A 负载阶跃瞬态响应(图 3 所示设计,fSW = 2 MHz)。
在该解决方案中,开关频率被设定在 2 MHz,因而允许使用一个小的 1 μH 电感器。另外,LT8645S/LT8646S 还可在过载或短路情况下安全地承受电感器饱和,这得益于高速峰值电流模式架构。因此,不必为了应对过流瞬变而使用过大的电感器,除非必需防止出现持续时间很长的过载或短路。
LT8645S/LT8646S 均采用一种 Silent Switcher 2 架构,此架构结合了分离的热环路和集成化旁路电容器。因此,EMI 性能对电路板布局是不敏感的,从而在那些要求超低 EMI 的设计中解除了工程师的这一设计担忧。图 5 给出了采用图 3 所示解决方案时的 CISPR 25 辐射 EMI 测试结果。
。利用铁氧体磁珠和电容滤波器,电路能够满足严格的 CISPR 25 Class 5 限制。

图 5.图 3 所示设计的 LT8646S CISPR 25 辐射发射测试结果(14 V 输入至 5 V/4 A 输出,fSW = 2 MHz)。
小的最短导通时间和高降压比
LT8645S 和 LT8646S 具有仅 40 ns 的最短导通时间,因而使其能支持高降压比,甚至在 2 MHz 的高开关频率条件下也不例外。例如,在 2 MHz 频率下将 48 V 转换至 5 V 需要 52 ns 的导通时间,这是采用大多数转换器都做不到的。该降压比通常将要求工程师选择一款两级转换器(具有一个中间电压),但是,LT8645S 和 LT8646S 单片式稳压器则皆能单独完成此转换,从而降低了电源尺寸和复杂性。
图 6 示出了一款用于达 30 V 之输入的 1.8 V/8 A 输出解决方案,其采用了工作在 1 MHz 开关频率的 LT8645S。如果跳过某些开关周期是可以接受的,那么输入可升高至 65 V 的绝对最大额定值。当输出低于 3.1 V 时,LT8645S 的 BIAS 引脚可连接至一个高于 3.1 V(即 3.3 V 或 5 V)的外部电源,以改善效率。

图 6.穿越 65 V 输入瞬变过程运行的 LT8645S 1 MHz 1.8 V/8 A 应用电路。
结论
LT8645S 和 LT8646S 8 A 同步超低 EMI 单片式开关稳压器可提供小型 6 mm x 4 mm LQFN 封装。其获专利的 Silent Switcher 2 架构可实现相当低的 EMI 辐射、高效率和紧凑的解决方案占板面积。输入可以高达 65 V。40 ns 的最短导通时间提供高降压比,实现了直接低电压输出,不需要两级转换。
作者简介
Ying Cheng 是电源产品部的一名高级应用工程师。她毕业于密苏里科技大学(前身为密苏里罗拉大学),获电气工程博士学位。Ying 已在凌力尔特(现隶属 ADI)服务 6 年,从事 DC-DC 开关稳压器和 LDO 稳压器的研发工作。