时间:2018-12-21 14:14
人气:
作者:admin
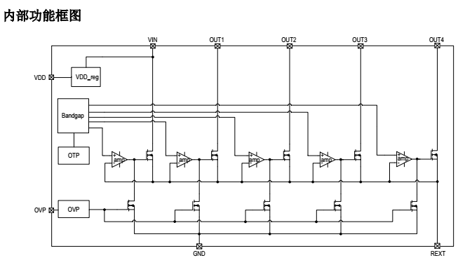
高压驱动控制电源IC SM2325E 是一款多段导通,可实现低 THD 高功率因数 LED 线性恒流控制芯片,芯片内置过温保护及过压保护等功能,可提升系统应用可靠性。且在多颗芯片并联使用时,可省去外围的跳线电阻。芯片主要通过调节 REXT 端口电阻值对输出电流进行调节。

高压驱动控制电源IC SM2325E这款芯片主要应用于 LED 照明、建筑亮化工程等领域,系统结构简单, 外围元件少,方案成本低。高压驱动控制电源IC SM2325E 是一款工作于分段式自动切换模式且可实现低 THD 高功率因数 LED 线性恒流控制芯片,芯片内置过温保护及过压保护等功能,可提升系统应用可靠性。在多颗芯片并联使用时,可避免 OUT 口走线交叉,可省去外围多余的跳线电阻,使布局走线方便简洁、可靠。芯片主要通过调节 REXT 端口电阻值对输出电流进行调节。

高压驱动控制电源IC SM2325E
注 1:最大输出功率受限于芯片结温,最大极限值是指超出该工作范围,芯片有可能损坏。在极限参数范围内工作,器件功能正常, 但并不完全保证满足个别性能指标。
注 2:RθJA 在 TA=25°C 自然对流下根据 JEDEC JESD51 热测量标准在单层导热试验板上测量。
注 3:温度升高最大功耗一定会减小,这也是由 TJMAX,RθJA 和环境温度 TA 所决定的。最大允许功耗为 PD = (TJMAX-TA)/ RθJA 或是极限范围给出的数值中比较低的那个值。

高压驱动控制电源IC SM2325E:
注 4:电气工作参数定义了器件在工作范围内并且在保证特定性能指标的测试条件下的直流和交流电参数。对于未给定上下限值的参数,该规范不予保证其精度,但其典型值合理反映了器件性能。
注 5:规格书的最小、最大参数范围由测试保证,典型值由设计、测试或统计分析保证
注 6:电流负温度补偿起始点为芯片内部设定温度 145°C。

高压驱动控制电源IC SM2325E主要功能特点:
高压驱动控制电源IC SM2325E本司专利的恒流控制技术
OUT 端口输出电流外置可调,最大电流可达 120mA
芯片间输出电流偏差《±4%
输入电压:120Vac/220Vac
支持 PF》0.9
支持 THD《10%
具有过温调节功能
具有过压调节功能
IC 并联应用可省去跳线电阻
芯片可与 LED 共用 PCB 板
封装形式:ESOP16
高压驱动控制电源IC SM2325E主要应用领域:
投光灯
工矿灯
灯具类 LED 照明
高压驱动控制电源IC SM2325E输出 LED 灯珠压降及各段灯珠比例设计
建议 SM2325E OUT1~OUT4 端口灯珠压降比例依次为 7:4:2:1 时,可使系统获得较低
的 THD、较佳的光效和较高的功率因数。

高压驱动控制电源IC SM2325E芯片散热措施-
SM2325E 芯片内部具有温度补偿电路,为避免芯片温度高引起掉电流现象,系统需采用良好的散热处理,确保SM2325E 芯片工作在合理的温度范围,常见散热措施如下:
1)系统采用铝基板;
2)增大 SM2325E 衬底的覆铜面积;
3)增大整个灯具的散热底座;
SM2325E 支持芯片并联应用方案。若系统输出功率过大导致芯片温度高时,可以采用多颗 SM2325E 芯片并联使用。高压驱动控制电源IC SM2325E过温调节功能当 LED 灯具内部温度过高,会引起 LED 灯出现严重的光衰,降低 LED 使用寿命。
SM2325E 集成了温度补偿功能, 当芯片内部达到 145oC 过温点时,芯片将会自动减小输出电流,以降低灯具内部温度,提高系统可靠性。