时间:2018-12-21 14:14
人气:
作者:admin
概述
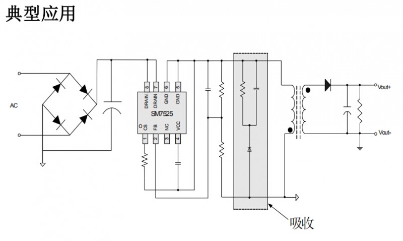
高性能的原边反馈控制功率开关芯片SM7525 是应用于离线式小功率 AC/DC 开关电源高性能的原边反馈控制功率开关芯片,在全电压输入范围内实现高精度恒流输出,精度小于±5%,无需环路补偿,并可使系统节省光耦,TL431 以及变压器辅助绕组等元件,降低成本。
芯片内部集成了逐周期峰值电流限制,FB 过压保护,输出开/短路保护和开机软启动等保护功能,以提高系统的可靠性。

高性能的原边反馈控制功率开关芯片SM7525特点
拓扑结构支持:反激及低成本
BUCK-Boost
采用 730V 单芯片集成工艺
宽电压 85Vac~265Vac 输入电压范围内恒流精度小于±5%
全电压范围内兼容 1~5W
专利无需辅助绕组的原边
反馈控制技术可使系统节省光耦、431 等元件
无需环路补偿
内置前沿消隐电路(LEB)
逐周期峰值电流比较
输出开/短路保护
内置开机软启动
内置 FB 过压保护及短路保护等功能
封装形式:SOP8

高性能的原边反馈控制功率开关芯片SM7525应用领域
LED 照明驱动
高性能的原边反馈控制功率开关芯片SM7525功能表述
SM7525 芯片是应用于离线式小功率 AC/DC 开关电源的高性能原边反馈控制功率开关芯片,全电压输入范围内,恒流输出精度小于±5%。SM7525 芯片通过原边采样的方式来控制系统的输出,内部集成高压工艺,节省光耦和 TL431 等元件。芯片内部集成了逐周期峰值电流限制,FB 过压保护,输出开/短路保护和开机软启动等保护功能,以提高系统的可靠性。

高性能的原边反馈控制功率开关芯片SM7525启动和控制SM7525 芯片内部集成高压功率开关,通过高压启动,省掉传统电路的外部启动电阻,以及辅助绕组的供电电路,极大的降低了系统成本。
工作原理
SM7525 芯片要实现原边高精度的恒流控制,反激电源应用系统必须工作在不连续模式(DCM)下。芯片通过检测原边辅助绕组的反激电压,来控制输出电流电压。输出电流仅
由变压器的匝比及峰值电流控制:
高性能的原边反馈控制功率开关芯片SM7525工作频率SM7525 芯片开关频率由负载大小来控制,不需要外接频率设置元件(最大开关频率要小于 65K)。在不连续模式的反激电源中,最大输出功率==其中 LP 为原边绕组电感量,IP 为原边绕组峰值电流。由公式 3 可知,原边绕组电感量的改变会导致最大输出功率和恒流模式下输出的恒流电流的变化。为了补偿原边电感量变化,芯片内部环路将开关频率锁定,锁定的开关频率可表示为:

高性能的原边反馈控制功率开关芯片SM7525:
因为消磁时间 TDEMAG 和电感量成反比, 通过频率锁定,LP 和 FSW 的乘积保持不变。所以最大输出功率和恒流模式下的恒流电流不会随原边电感量变化。SM7525 芯片能
最大补偿电感量±10%的变化。
高性能的原边反馈控制功率开关芯片SM7525电流检测和LEB
SM7525 芯片通过 CS 端检测外置检测电阻上的电压控制功率开关管的动作,从而实现对变压器原边电流控制,提供逐周期峰值电流限制。开关电流通过外接的检测电阻输入芯片 CS 脚。
为了消除高压功率管在开启瞬间产生的尖峰造成的干扰,内置前沿消隐电路,避免芯片在功率管开启瞬间产生误动作,这样就可以省去外围 RC 滤波电路,节约系统成本。
高性能的原边反馈控制功率开关芯片SM7525保护控制
SM7525 芯片完善的各种保护功能提高了电源系统的可靠性,包括:逐周期峰值电流限制,输出短路保护,FB 过压保护,软启动控制等。

IC 的 5、6 脚需要铺铜散热,即顶层与底层均需要铺铜,以降低芯片的温度及提高系统的性能。
DRAIN 脚布线时到变压器的环路距离尽量短,环路面积要小,不能采用大面积铺铜。
FB 脚布线时,一定要远离高压环路,间距≥1mm 以免受到干扰。