时间:2025-07-23 17:09
人气:
作者:admin
在汽车和自动化行业中,从事基于模型的开发(MBD)的工程师致力于在保证模型质量的同时保证模型高效。在这一背景下,应用适当的建模工具十分关键。合适的工具不仅可以通过建模标准检查来分析和测试模型质量,还能够根据分析结果自动优化模型。本文为您介绍广受认可的静态测试工具——MES Model Examiner® (MXAM)。通过本文,您将深入了解MXAM如何帮助您轻松实现高质量建模。
初步了解:什么是MXAM?
MXAM是一款专业用于对MATLAB/MathWorks的Simulink、Stateflow、Embedded Coder和TargetLink模型进行全面静态分析的工具。MXAM主要应用于V模型软件开发流程的左侧,重点支持模型设计阶段。MXAM覆盖了从软件架构设计到单元设计与实现的全过程,能够保证模型质量,并确保符合ISO 26262等行业标准的要求。自MXAM v.10.0起,MES Model & Refactor® (MoRe)已集成至MXAM中。MoRe能够简化并加速模型的创建与重构,是MXAM功能的重要扩展,显著提升了其在模型开发中的实用价值。
静态测试可以贯穿于模型开发流程的各个阶段。MXAM为不同阶段的建模工作提供有力支持。如下图所示,工作流程从创建模型开始,接着对模型指标和建模规范进行分析。随后,分析结果由一份清晰且全面的报告呈现,为及时发现并解决模型中存在的问题提供依据和参考。最后,该流程确保模型满足质量门(Quality Gate)的要求,从而轻松实现高质量建模。

图片:MXAM(蓝色图标)与MoRe(红色图标)为模型开发过程中敏捷工作流的不同阶段提供支持
总之,MXAM主要支持:
这些功能的集成让MXAM成为了一个专业且全面的静态测试工具。接下来的章节将对这些功能进行详细介绍。
为什么选择MXAM进行静态模型分析?
基于模型的开发(MBD)依赖于以需求为基础、以测试为驱动的工作流来持续确保质量。设计质量和功能质量同等重要,因为良好的模型设计能够显著提升其功能适用性。
模型设计质量如何被确保?静态模型测试能够帮助工程师确保模型设计的适用性。它不仅能够优化正在开发中的模型,同时支持前期的质量保证——在代码生成之前就发现问题所在,以此提升模型和代码的质量。
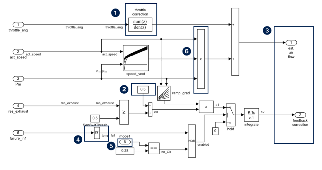
在实际应用中,MXAM支持高度自动化的静态分析,并着重于改进模型的可读性、鲁棒性以及避免错误,同时提升生成代码的质量。在这里,建模规范发挥着重要作用。下图展示了Simulink模型的一个子系统:

图片:Simulink模型次级子系统经建模规范优化前
模型目前存在多项问题,例如:
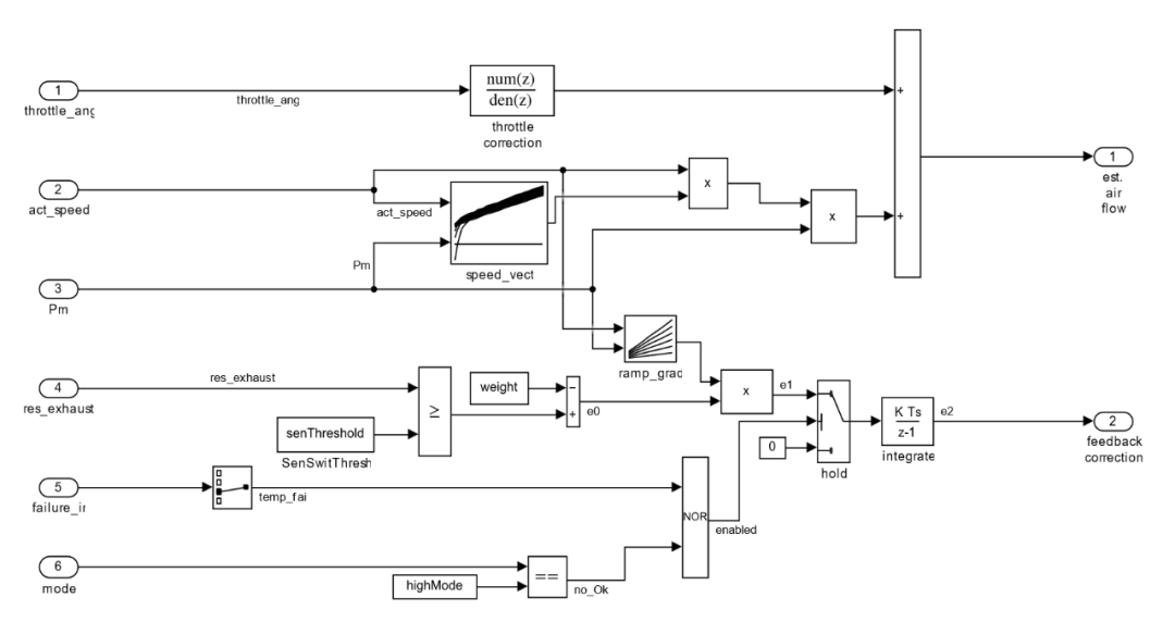
这些问题严重降低了该Simulink模型的设计质量。下图展示了在使用MXAM应用建模规范优化后的模型。此前提到的所有问题都已被准确修复,模型的可读性和生成代码的质量显著提升:

图片:Simulink模型次级子系统经建模规范优化后
显然,在实际应用中,评估模型对建模规范的符合性对于保障模型质量至关重要。该评估过程主要涵盖模型布局、数据和控制流、数据类型以及配置设置。MXAM涵盖超过700项建模规范:来自MISRA、MAB、MES或其他适用的建模规范文档。分析结束后,MXAM提供一键修复功能,能够自动修复识别出的问题。
此外,模型需遵循源自功能安全的设计原则,并通过评估相关标准定义的模型指标来实现。例如,ISO 26262-6为软件级产品开发中的汽车软件架构,提供了具体的建议与设计原则。关键指标包括模型复杂度、大小、耦合度、克隆检测等等。通过使用MXAM,在模型开发的早期阶段即可对这些指标进行验证与分析,从而提升模型质量,同时确保软件系统的稳定性与安全性。阅读文章评估模型架构——如何实现?了解其中细节。
这就引出了一系列重要的问题:如何优化模型布局,以及如何自动化部分重复性操作?现在,MoRe已集成至MXAM中,能够为您提供支持。MoRe涵盖六大类、超过30种操作,助力简化建模流程,节省时间,同时提升模型整体质量。
MXAM操作概览
在开始使用MXAM前,需要先创建一个项目,这是每次分析的基础。具体请参看MES模赛思官方网站的MXAM常见问题页面,了解如何设置项目,选择模型并开始分析。
模型分析过程结束后,MXAM会为用户提供一份详细的分析报告,评估模型对所选建模规范的合规性。如下图所示,分析结果以结构化的结果视图展示,清晰地显示潜在问题及可改进的部分。

图片:MXAM分析结果视图
从展示形式来讲,如下图所示,MXAM报告视图可显示为以下两种:

图片:MXAM报告视图的不同导览方式
在内容方面,下图展示了MXAM中的模型合规性报告视图,其中显示了合规分析结果列表(Findings):即模型合规性分析的结果列表。用户只需点击即可查看多个分析组件,包括:

图片:MXAM合规分析结果
用户还可以通过菜单(Menu)或过滤(Filter)选项,选择并查看特定的分析结果。在详情结果视图(Finding Details)中,可查看每条分析结果的详细信息。如下图所示,用户可以查看与相关建模规范不符的违规项的详细描述,以及相应的分析结果,便于理解问题所在并进行针对性改进。

图片:MXAM违规项的详细信息
每条发现项(Finding)都显示了具体的路径(Path)和模块名称(Name),并附有导致违规的详细原因。用户可通过路径和模块名称中的超链接,直接跳转至模型中该错误所在的位置。此外,修复选择(Repair Finding)选项支持一键自动修复问题,大大简化了规范违规的处理流程。
以建模规范mcheck_misra_slsf_030_c为例,在其详情页面(如下图所示),用户可以查看该规范的完整描述,包括用于判定检查项是否合规的通过/失败评判标准(Pass-Fail Criteria)。此外,页面还提供了相应的解决方案,以及详细说明了修复问题所需的具体操作,帮助用户准确理解并有效处理违规问题。

图片:MXAM建模规范详情页
在MXAM中,最终分析报告可方便地以多种格式导出,包括HTML、PDF、Excel、XML 以及MXAM专用格式.mxmr,以满足不同的使用和共享需要。
*文章转载自MES模赛思官方微信公众号