时间:2022-06-21 14:30
人气:
作者:admin
TVS(Transient Voltage Suppression)是一种限压保护器件,作用与压敏电阻很类似。也是利用器件的非线性特性将过电压钳位到一个较低的电压值实现对后级电路的保护。TVS管的主要参数有:反向击穿电压、最大钳位电压、瞬间功率、结电容、响应时间等。TVS的响应时间可以达到ps级,是限压型浪涌保护器件中最快的。用于电子电路的过电压保护时其响应速度都可满足要求。TVS管的结电容根据制造工艺的不同,大体可分为两种类型,高结电容型TVS一般在几百~几千pF的数量级,低结电容型TVS的结电容一般在几pF~几十pF的数量级。在高频信号线路的保护中,应主要选用低结电容的TVS管。另外TVS管的通流容量在限压型浪涌保护器中是最小的。
四、网口防雷电路设计:
1,室外走线网口防雷电路
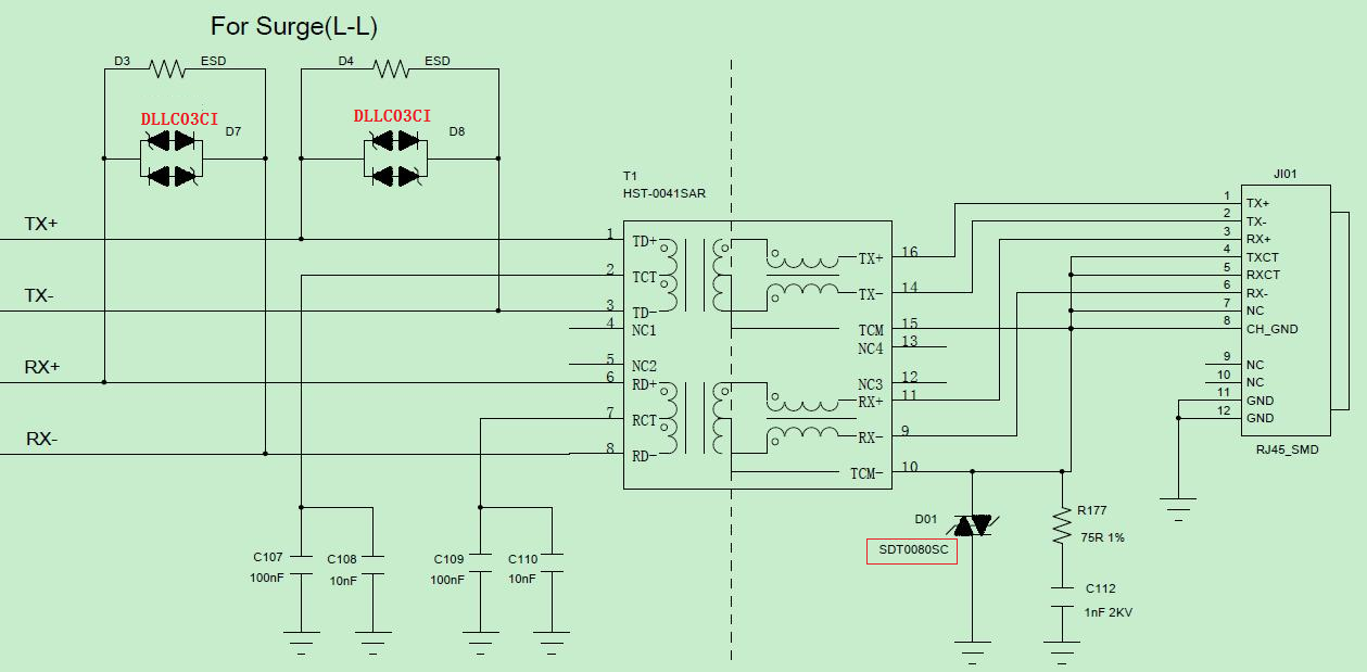
当有可能室外走线时,端口的防护等级要求较高,防护电路可以按图 1设计。

综上所述,采用图 1的防护电路,通过良好的器件选型和PCB设计,可以实现共模2kV (1.2/50us,最高可达4kV),差模0.5kV(1.2/50us)的防护能力。它可以应用于绝大多数室 内走线的情况。
2室内走线网口防雷电路
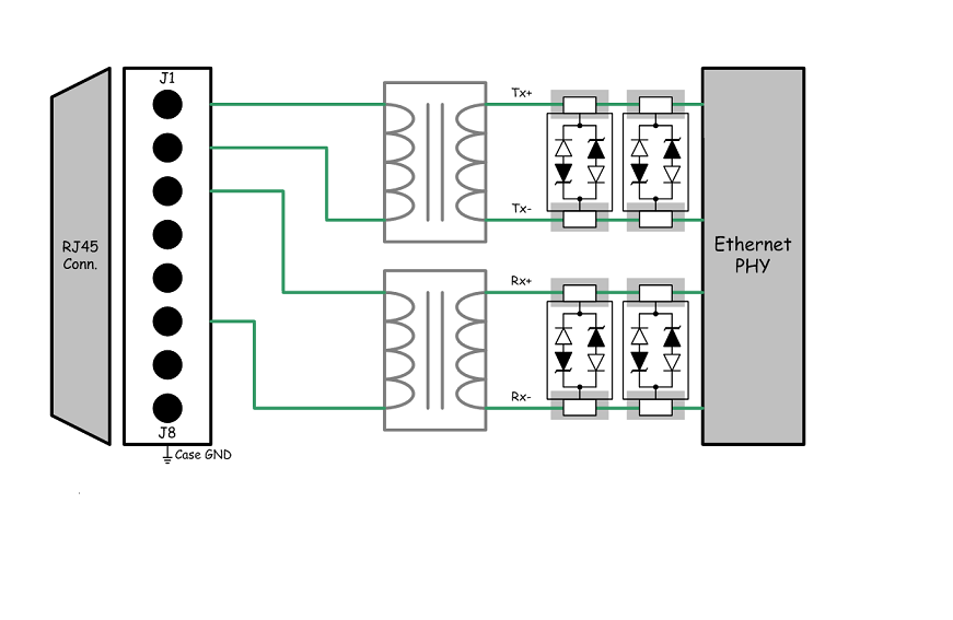
当只在室内走线时,防护要求较低,因此防雷电路可以简化设计,只用低电容ESD TVS,线上串联电阻即可,是室内走线网口防护电路的基本原理图

第二种思路对于变压器绝缘耐压要求较高,需要封装较大的变压器才能满足抗雷击要求,这样就会要较大的PCB空间,综合考虑,选用第一种思路,增加防浪涌器件,采用变 压器中心抽头放电管设计电路:
上一篇:充电计费显示单元设计方案