时间:2023-07-11 14:56
人气:
作者:admin
2.分析方法
上一小节,我们学习研究了负反馈的基本概念、反馈类型、四种负反馈组态以及负反馈特性,这些知识内容都是基于负反馈理想模型前提下得到的。下面,我们先看看实际负反馈电路分析过程中会碰到的哪些非理想因素,然后,详细介绍几种负反馈分析方法。
2.1. 负反馈的非理想因素
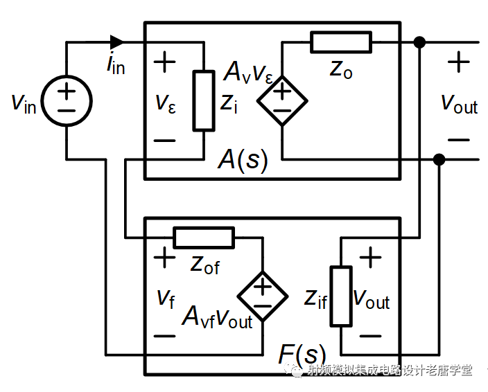
第一种非理想因素是反馈网络的负载效应。图3四种负反馈组态中,反馈网络 F ( s )是理想受控源,没有考虑其输入/输出阻抗对主放大器 A ( s )的输出/输入端口的负载效应。以图3(a)串联-并联负反馈组态为例,考虑反馈网络 F ( s )的输入/输出阻抗,我们来分析一下反馈网络的负载效应会给闭环特性带来哪些影响。

图9 考虑反馈网络输入/输出阻抗的串联-并联负反馈组态
如图9所示是考虑反馈网络 F ( s )的输入/输出阻抗的串联-并联负反馈组态,主放大器 A ( s )为电压增益A v ,输入阻抗为z i ,输出阻抗为z o ,反馈网络 F ( s )为电压增益A vf ,输入阻抗为z if ,输出阻抗为z of ,在输入端加激励电压源v in ,求输出电压响应v out ,计算可得闭环电压增益A vcl ,
(16)
其中,Avl定义为有负载效应条件下的主放大器增益,简称有载主放大器增益。
(17)
闭环输入阻抗z icl ,
(18)

图10 考虑反馈网络输入/输出阻抗的串联-并联负反馈组态的闭环输出阻抗电路
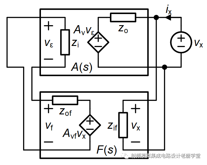
如图10所示是考虑反馈网络 F ( s )的输入/输出阻抗的串联-并联负反馈组态的闭环输出阻抗电路,将图9中输入独立电压源vin置零,在输出端加电压激励源v x ,求电流响应i x ,计算可得闭环输出阻抗z ocl ,
(19)

图11 考虑反馈网络输入/输出阻抗的串联-并联负反馈组态的环路增益电路
如图11所示是考虑反馈网络 F ( s )的输入/输出阻抗的串联-并联负反馈组态的环路增益电路,将图9中输入独立电压源vin置零,反馈网络中电压控制的电压源Avfvout的控制电压vout断开,将控制电压vout替换为电压激励源v t ,求反馈网络的输入控制电压响应v out ,计算可得环路增益 LG ,
(20)
考虑反馈网络输入/输出阻抗的串联-并联负反馈组态的等效电路图如图12(a)所示,A l ( s )为有载主放大器,F l ( s )为去除输入/输出阻抗的理想反馈网络。原先反馈网络的输出阻抗zof并入有载主放大器的输入端形成分压系数zi / (zi + z of );原先反馈网络的输入阻抗zif并入有载主放大器的输出端形成分压系数zif / (zo + z if )。进一步简化可以得到图12(b)简化电路,有载主放大器的输入阻抗为zi + z of ,输出阻抗为zo // z if ,电压增益为Avl = (zi / (zi + z of )) Av (zif / (zo + z if ))。

图12 有负载效应串联-并联负反馈组态电路图 (a) 等效电路图 (b) 简化电路图
第二种非理想因素是传递函数的非单向性。之前所有分析都假设主放大器和反馈网络是单向传输的,即单向性,只有输入到输出传递函数而没有考虑输出到输入传递函数。然而,实际电路大部分情况下都存在反向传递函数,这样前述四种负反馈组态分析方法就存在问题。
第三种非理想因素是多个反馈环路和多种反馈机制并存。四种基本负反馈组态的采样和反馈信号都是单一电压或者电流,如果采样信号同时存在电压和电流形式,或者反馈信号同时存在电压和电流形式,这样的负反馈就不满足上述四种反馈组态形式,也就无法通过四种负反馈组态分析方法来处理。
如果负反馈中存在第一种和第二种非理想因素,我们可以通过2.1小节二端口网络拆环分析方法来解决。
上一篇:负反馈特性主要包括哪些?
下一篇:嵌入式这个行业未来十年都不会卷?