时间:2023-07-06 10:38
人气:
作者:admin
这次引申介绍一下 Low-voltage Bandgap 电路以 ZTAT 电流源的三种实现方法:
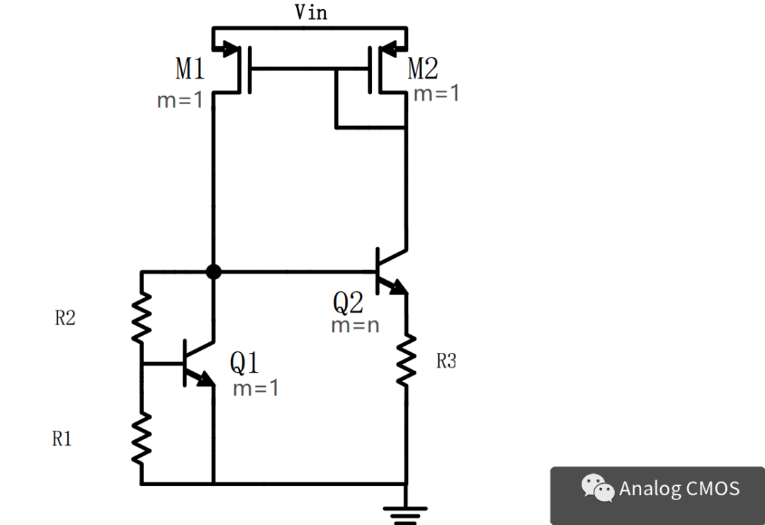
方法1.如图 2.5, M 2 的电流:

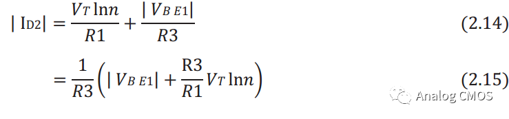
观察式(2.15),中PN结导通电压VBE1是负温度系数电压量,热点压VT是正温度系数的量。那么选择合适的(R3/R1)就可以得到一个零温度系数(近似)的电流源。

对于图2.5中“ref”点电压(也就是式2.16中的bgv)可以很容易的写出来:

观察式2.16,括号内就是一个典型的bandgap电路的输出电压表达式,要想降低这个电压只需要调整上式中“R4/R3<1"的值就可以了。这就得到了一个低电压的电压基准。
方法2:利用正温度系数(PTAT)电流+负温度系数(CTAT)电流=I ZTAT

那么冷温度系数的电流(I ZTAT)就可以表示成:

通过选择合适的 Lnn/R1 和 R3 的值就可以得到零温漂的电流源

方法3:此结构中M1和M2的电流就是零温漂电流(IZTAT), (电路简单,思路不简单)**
