时间:2023-06-26 14:23
人气:
作者:admin
引言
随着无线通信行业膨胀式发展,系统对射频器件的要求越来越高。作为射频元器件的重要组成部分,滤波器的小型化、高性能和低成本已然成为行业研究的热点与难点。滤波器可以选用分布参数或者集总参数加以实现,然而在微波频段的低端,分 布结构的滤波器往往尺寸过于庞大,无法适应小型化的时代需求,故在此频段一般选用集总结构加以设计。
LTCC (low temperature co-fired ceramics,低温共烧陶瓷)作为电路集成封装的一种关键技术 , 在产品封装小型化 、 轻量化 、稳定性 、可靠性 、调整性以及低成本等诸多方面均有显著的优势 ^[3]^ .先进的LTCC技术使得集总滤波器的尺寸大大缩小,集成度与可靠性均大幅度提高。但是LTCC滤波器作为一种新型滤 波器,包括多个等效分立元件,耦合性与寄生效应较为复杂,再加上国内外LTCC技术差距较大,因此,此款带通滤波器是基于缩小传统集总滤波器体积以及国内对LTCC滤波器的迫切需求的基础上而设计的。

图1 四阶带通滤波器电路

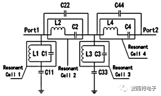
图2 改进后的带通滤波器电路

图3 四阶带通滤波器三维视图
为 了 提 高 此 款 集 总 带 通 滤 波 器 的 性 能 , 在 通 带 的 高 低阻带各引入两个传 输 零 点, 用以提高带通滤波器的边带陡峭度。预定技术指标:中心频率为110MHz ,带宽为50MHz,带内插入损耗小于1.6dB,30MHz
1 滤波器理论设计
1.1 滤波器原理分析
本款集总LTCC带通滤波器是在串-并联谐振单元的基础上 设计而成的。滤波器共有四个谐振单元,包括两个并联谐振接 地和两个串联谐振,等效电路图如图1所示。
虽然四个谐振单元已经可以构成简单的带通滤波器,但是由于没有传输零点,过渡带相对较宽,在频段拥挤的社会现状下,实用性能较差。
1.2 含有零点的集总带通滤波器
滤波器的通带要求衰减越小越好,而阻带要求衰减越大越好。但是在滤波器阶数有限的情况下,原型滤波器的阻带抑制度往往不佳,所以我们考虑在阻带的特定频率点引入传输零点,用以提高边带的陡峭度。图2给出引入传输零点的带通滤波器。
如图2所示,改进后的带通滤波器共有四个谐振单元,即两个并联谐振单元和两个串联谐振单元,四个谐振单元分别引入一个传输零点。以并联谐振单元1和串联谐振单元2为例进行如下分析:并联谐振单元1与电容串联接地后,构成一个新的谐振器,即变形并联谐振单元。其输入导纳为

其谐振频率为:

产生的传输零点为:

比较可知 :ω 0>ω z。因此,传输零点的频率始终小于谐 振频率,变形并联谐振单元在低频阻带上插入一个传输零点。而串联谐振单元2与电容并联后,构成一个变形串联谐振单 元。其输入导纳为:

其谐振频率为:

产生的传输零点为:

比 较 可 知 :
。 因 此 , 传 输 零 点 的 频 率 始 终 大于谐振频率,变形串联谐振单元在高频阻带上插入一个传输零点。
因此,改进后的滤波器共引入了四个传输零点,上下边带各有两个,分别由两个变形串联谐振单元和两个变形并联谐振单元提供。
2 LTCC三维实现
电感是射频系统的重要元器件之一,往往决定着整个电 路系统的性能。传统集总滤波器电感所占面积较大,严重影响了滤波器的最终尺寸。因此,在综合考虑占用面积、自谐振频 率以及品质因数Q值后,选用较细的传输线通过螺旋式的结构进行电感设计。LTCC的电容主要有两种形式:MIM(Mental- I n s u l a t o r - M e n t a l ) 与 V I C ( Ve r t i c a l l y - I n t e r d i g i t a t e d - Capacitor)。由于此款集总带通滤波器的中心频率属于微波频段的低端,因此电容值相对较大,所以选用垂直多层交错型的VIC电容。此款带通滤波器的实现主要依托于集总电感与电容元件的组合与合理布局。对电感影响较大的参数包括:电感线圈的尺寸、线宽、线间距、圈数以及介质的介电常数等。对电 容影响较大的参数包括:电极板的正对面积、极板间的间距以及介质的介电常数等。在三维仿真软件HFSS中分别对各个集总电感电容元件进行建模研究,由于电感电容的值相对较大,为了实现小尺寸的设计初衷,合理布线便显得至关重要。
该滤波器的介质采用相对介电常数为9.2的陶瓷材料,介质损耗角为 tan θ=0.002,金属导体材料采用了银,厚度为0.01mm,最终尺寸为5mm×8mm×2.3mm。图3给出了集总带通滤波器的三维模型图。
由图3可知,此款带通滤波器共有四个变形谐振单元。与等效电路图对比,L1、C1、C11和L3、C3、C33构成变形并联谐振单元,用于添加低阻带零点;L2、C2、C22和L4、C4、C44构成变形串联谐振单元,用于添加高阻带零点。本文巧妙运用 电容共层形式,并利用屏蔽层来节省接地电容的面积,大大缩小了带通滤波器的体积。
此款带通滤波器共选用了12个集总电感电容元件,由于多 种寄生效应的影响,初步构建起集总带通滤波器后仍需要进行 多次优化。最终的仿真结果如图4所示。

图4 四阶带通滤波器仿真波形图
由仿真图4可知,此款LTCC集总带通滤波器的中心频率为110MHz,带宽为50MHz,带内插入损耗≤1.6dB,电压驻波比≤1.6,在30MHz<f<70MHz时,带外衰减>20dB,160MHz<f<200MHz时,带外衰减>20dB。上下边带各引入了两个传 输零点,使得此款集总带通滤波器在满足小型化的同时也获得了高度的边带陡峭特性。
3 结论
本款基于LTCC技术的带通滤波器,选择集总电感电容元件进行设计,中心频率为110MHz,带宽为50MHz,在30MHz至70MHz频率以及160MHz至200MHz频率上的衰减均优于20dB,尺寸仅为5mm×8mm×2.3mm。
LTCC工艺技术保障了滤波器的小型化,而合理布局则使得 此款集总滤波器的尺寸进一步减小。通过变形谐振单元,在滤 波器的上下阻带各引入两个传输零点,使得滤波器的边带特性 更加陡峭。
因此,此款LTCC集总带通滤波器体积小、重量轻、封装性能好、边带陡峭、稳定性且可调性高,是一款非常实用的带通 滤波器,在国防科技、军用设备、未来通信等诸多领域均有着极大的应用前景与需求。
上一篇:自治系统稳定性分析
下一篇:简单的锁存看门狗定时器