时间:2023-04-23 10:34
人气:
作者:admin
在光伏系统中,光伏逆变器是光伏发电系统的核心部件,可将光伏(PV)太阳能板产生的可变直流电压转换为市电频率交流电(AC),用以反馈回商用输电系统,或是供离网的电网使用。
随着功率等级的不断提高,以及整机体积的增加,光伏逆变器对功率器件的规格和散热要求也越来越高。相比于传统硅材料,碳化硅性能更为优越,因此碳化硅功率器件在光伏逆变器的使用越来越广泛。其中,碳化硅肖特基二极管无反向恢复电流,被广泛应用于光伏逆变器中的MPPT电路中,可显著减小损耗,优化散热,降低成本。

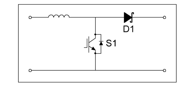
在光伏逆变器中,碳化硅肖特基二极管B2D60120H1主要用于BOOST电路,下图所示拓扑为Single Boost,是光伏逆变器中使用较为广泛的拓扑,拓扑中的D1在使用碳化硅肖特基二极管时,可以降低对应换流回路中开关管的开关损耗,降低温升,从而减小散热器的体积,可以提高频率,减小磁性元器件的体积,降低成本。

Single Boost拓扑
基本半导体面向光伏及储能领域推出了碳化硅肖特基二极管、碳化硅MOSFET和碳化硅功率模块三类产品。其中1200V的碳化硅肖特基二极管B2D60120H1已经在工商业光伏逆变器、组串式光伏逆变器、微型光伏逆变器领域广泛应用。
碳化硅肖特基二极管B2D60120H1性能优势:
• 具有极低的反向漏电流,反向重复峰值电压VRRM为1200 V;
• 出色的浪涌电流能力和低电容电荷;
• 连续正常电流(TC=150°C)为60A;
• 基本没有开关损耗;
• 工作温度和存储温度-55°~175°;
•提供TO-247-2封装;
注:如涉及作品版权问题,请联系删除。