时间:2022-06-22 10:55
人气:
作者:admin
本文档主要介绍嵌入式初级学习者,在使用核心板/开发板过程中,所做的一些硬件接口资源以及设计注意事项等内容。本篇文章是基于创龙科技TL335x-EVM-S开发板,它是一款基于TI Sitara系列AM3352/AM3354/AM3359 ARM Cortex-A8高性能低功耗处理器设计的评估板。

评估板接口资源丰富,引出双路千兆网口、LCD、HDMI、GPMC、CAN等接口,方便用户快速进行产品方案评估与技术预研,应用在通讯管理、数据采集、人机交互、运动控制、智能电力等典型领域。
AM335x的IO电平标准一般为3.3V,上拉电源一般不超过3.3V,当外接信号电平与IO电平不匹配时,中间需增加电平转换芯片或信号隔离芯片。按键或接口需考虑ESD设计,ESD器件选型时需注意结电容是否偏大,否则可能会影响到信号通信。
SOM-TL335x-S核心板板载CPU、ROM、RAM、晶振、电源管理芯片、LED等硬件资源,并通过邮票孔连接方式引出IO。核心板硬件资源、引脚说明、电气特性、机械尺寸、底板设计注意事项等详细内容,请查阅《SOM-TL335x-S核心板硬件说明书》。

图 3 核心板硬件框图

图 4
核心板采用4x 40pin邮票孔连接方式,共160pin,引脚间距为1.0mm。

图 5
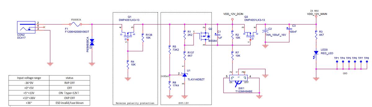
CON2为12V2A直流输入DC-417电源接口,可适配外径4.4mm、内径1.65mm电源插头。电源输入带有过流过压保护功能。SW1为电源摆动开关。

图 6

图 7

图 8
设计注意事项:
评估底板LED0为电源指示灯,系统上电默认点亮。评估底板LED1、LED2和LED3为用户可编程指示灯,通过GPIO控制,默认高电平点亮。

图 9

图 10

图 11
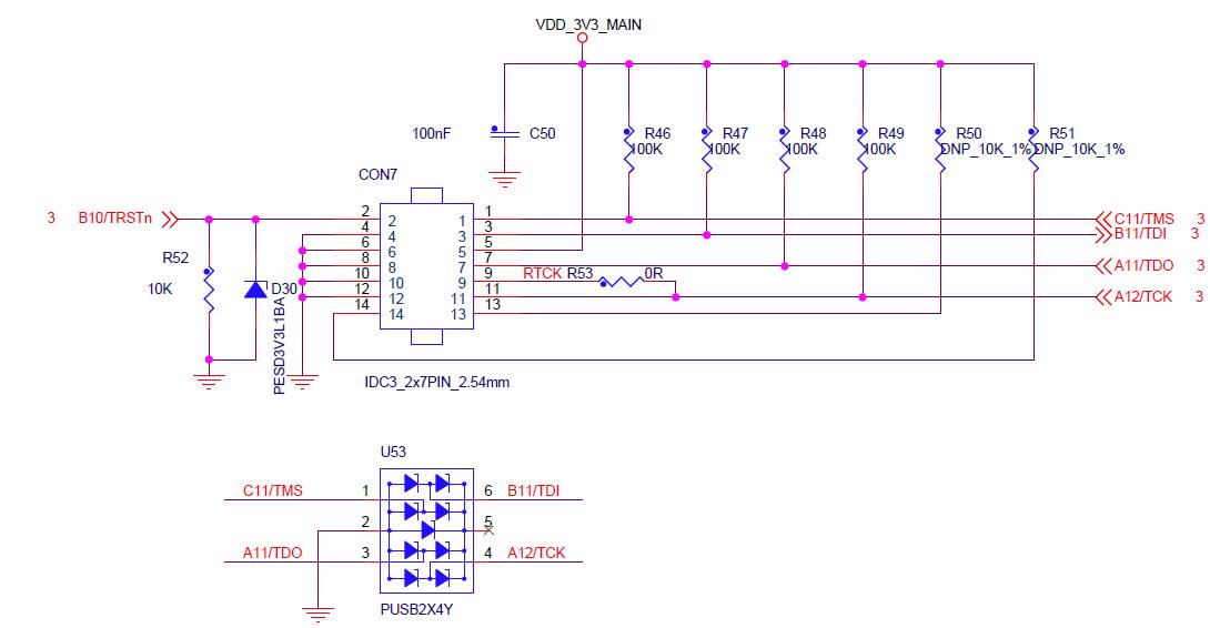
CON7为TI Rev B JTAG仿真调试接口,采用14pin简易牛角座连接器,间距2.54mm,可适配Tronlong的TL-XDS100V2、TL-XDS200和TL-XDS560V2仿真器。

图 12

图 13
设计注意事项:
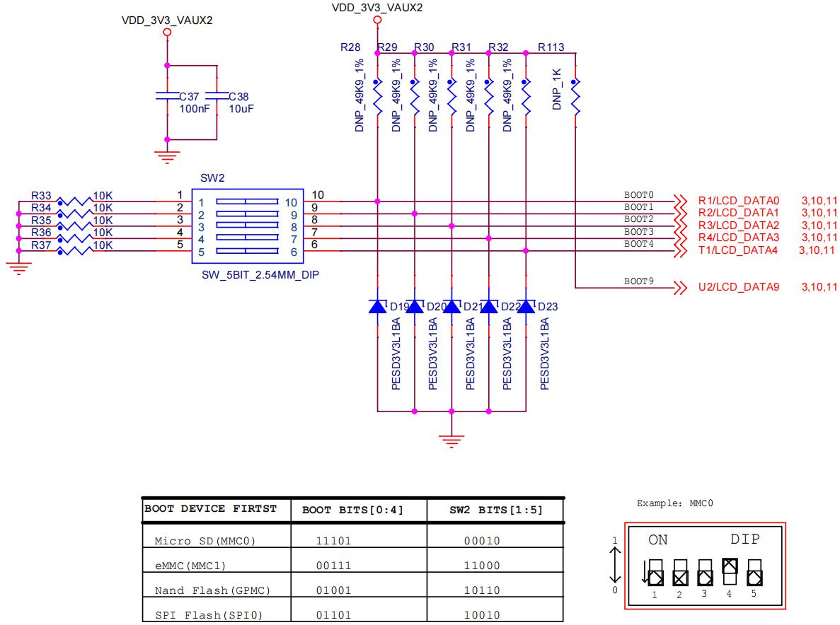
SW2为5bit启动方式选择拨码开关。常用启动模式有如下两种,启动选择拨码开关的ON为1,相反为0。

图 14

图 15
设计注意事项: