时间:2022-06-22 11:20
人气:
作者:admin
本文档主要介绍嵌入式初级学习者,在使用核心板/开发板过程中,所做的一些硬件接口资源以及设计注意事项等内容。本篇文章是基于创龙科技TL335x-EVM-S开发板,它是一款基于TI Sitara系列AM3352/AM3354/AM3359 ARM Cortex-A8高性能低功耗处理器设计的评估板。

评估板接口资源丰富,引出双路千兆网口、LCD、HDMI、GPMC、CAN等接口,方便用户快速进行产品方案评估与技术预研,应用在通讯管理、数据采集、人机交互、运动控制、智能电力等典型领域。
AM335x的IO电平标准一般为3.3V,上拉电源一般不超过3.3V,当外接信号电平与IO电平不匹配时,中间需增加电平转换芯片或信号隔离芯片。按键或接口需考虑ESD设计,ESD器件选型时需注意结电容是否偏大,否则可能会影响到信号通信。
CON15为LCD电阻触摸屏接口,采用40pin FFC连接器,间距0.5mm。

图 16

图 17
设计注意事项:
评估板具有5个按键,包含1个系统复位按键(KEY1,WARM RESET)、1个电源复位按键(KEY2,POWER ON)、1个唤醒按键(KEY3,WAKE UP)、1个非屏蔽中断按键(KEY4,nMNI)、1个用户输入按键(KEY5,USER)。

图 18

图 19

图 20
设计注意事项:
(1)RESETn_IN为核心板的复位输入,核心板内部已设计上拉电阻10K,默认情况可悬空处理。
(2)PMIC_POWERON直接由PMIC的PMIC_PB_IN引脚引出,长按8s以上PMIC将保持复位,松开按键再触按一次,PMIC将重新上电核心电源。PMIC_PB_IN在PMIC内部已上拉100K电阻至5V,默认情况可悬空处理。
(3)C5/EXT_WAKEUP直连AM335x的EXT_WAKEUP引脚,仅用于RTC-Only模式(系统默认为Active模式)。核心板内部已设计上拉10K电阻至1.8V,默认情况可悬空处理。
(4)B18/nNMI为非屏蔽中断功能,核心板内部已设计上拉电阻10K,默认情况可悬空处理。
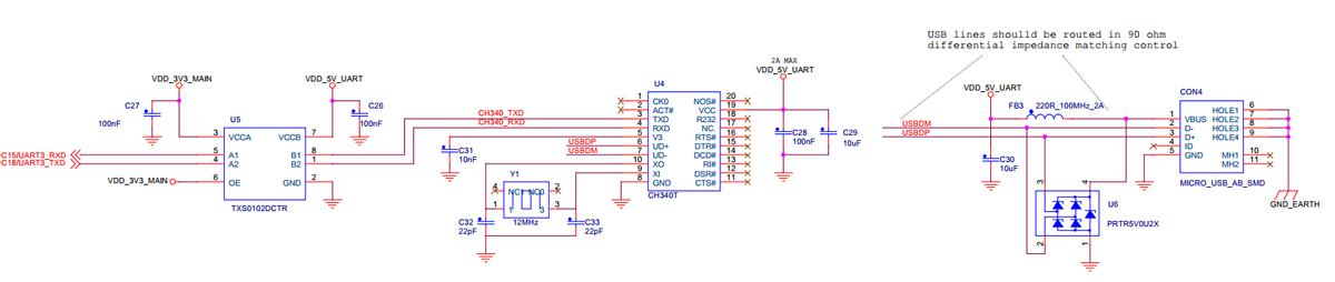
评估板具有3个串口,CON4为USB TO UART3,CON6为RS232 UART0,CON8为RS485 UART1。
通过CH340T芯片将UART3转成Micro USB接口,作为系统调试串口使用。

图 21

图 22
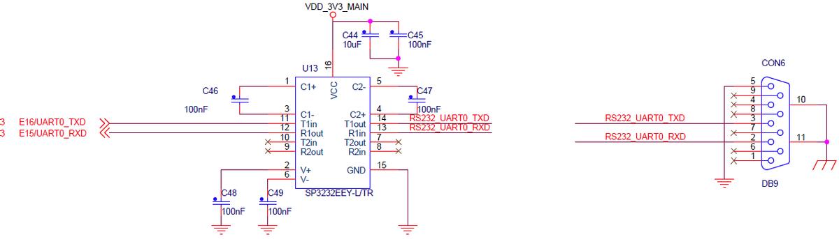
通过SP3232EEY串口电平转换芯片将UART0转换为RS232串口,使用9针DB9接口。

图 23

图 24
通过隔离收发器ISO3082DW,将UART1转换为RS485串口,接口使用3pin 3.81mm绿色端子方式。

图 25

图 26
CON5为Micro SD卡接口,通过MMC0总线引出,采用4bit数据线模式。

图 27

图 28
设计注意事项:
CON3为RTC座,适配纽扣电池ML2032(3V可充)。RTC电路使用DS1340Z-33+芯片实现外部RTC功能,通过I2C0总线连接至CPU。

图 29

图 30
设计注意事项:
CON1和CON11是双路USB 2.0 HOST接口,采用双层Type-A型连接器,CON10为USB 2.0 DRD,采用Micro USB连接器。
通过USB 2.0 HUB芯片将USB0总线(USB 2.0)拓展为4路USB 2.0 HOST接口。

图 31

图 32
USB 2.0 DRD直接由USB1总线(USB 2.0)引出,支持软件切换为HOST或DEVICE模式。

图 33

图 34
设计注意事项:
(1)F15/USB1_DRVVBUS引脚可用作USB1的DRVVBUS或GPIO功能,评估板方案中用作USB1的DRVVBUS功能。
CON18为RGMII1 ETH千兆网口,CON19为RGMII2 ETH千兆网口。RJ45连接器已内置隔离变压器。
AM335x内部集成2个GMAC控制器,支持2路RGMII千兆网口。由于RGMII2与MII1_PRUSS1总线存在引脚复用关系,因此在底板设计时可支持如下网络电路搭配:

图 35

图 36

图 37
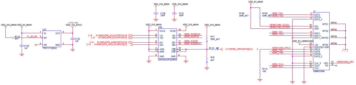
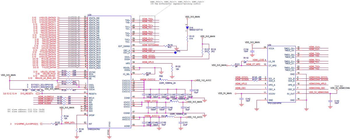
设计注意事项:
J1为HDMI OUT视频输出接口。HDMI通过I2C1配置,其中CPI of HDMI Transmitter的I2C地址为0x3B,TPI of HDMI Transmitter的I2C地址为0x62。

图 38

图 39

图 40
设计注意事项:
CON9为CAN0接口,采用3pin 3.81mm绿色端子方式。

图 41

图 42
U9为FRAM铁电芯片,大小为512Byte,可用于存储用户配置数据,连接至I2C0总线,两个页的I2C设备地址分别为0x50和0x51。

图 43

图 44
设计注意事项:
J2为1x 8-ch 12-Bit ADC接口,200K Samples Per Second,2x 5pin排针方式,间距2.54mm,电压输入范围一般为0~1.8V。

图 45

图 46
设计注意事项:
J3为排针拓展接口,2x 12pin规格,间距2.54mm,包含GPMC、GPIO等拓展信号。
J4为排针拓展接口,2x 15pin规格,间距2.54mm,包含McASP、I2C、GPIO等拓展信号。

图 47 J3拓展接口

图 48

图 49 J4拓展接口

图 50