时间:2023-03-28 11:05
人气:
作者:admin
RS-232特性的解释方式使选择合适的RS-232通信IC以满足任何系统需求的方式变得容易。特别注意信号摆幅、压摆率、增强型ESD保护以及高达1Mbaud的数据速率。引入了RS-232兼容与RS-232兼容的概念,其中系统需求可能提示高数据速率或低电源电压。产品具有自动关断至低功耗模式和自动唤醒、低电源电压、高ESD保护、可编程逻辑阈值以及高数据和压摆率等,可满足低功耗系统需求。
为了帮助您为应用程序选择最合适的部件,本文介绍了可用的不同功能。
电源
另一篇文章“为您的电源电压选择和使用RS-232接口器件”介绍了可用于不同电源 电压的RS-232器件。
数据速率
几乎所有Maxim RS-232器件的发送和接收数据速率高达120kbps,大多数器件的速率高达250kbps。所有这些都是在符合RS-30规范(正式称为TIA/EIA-232-F)中指定的232V/μs最大压摆率的情况下完成的。可提供更高的数据速率,但需要特别提及。
兆波特
MegaBaud是Maxim用于RS-232逻辑电平兼容数据速率(1Mbps或更高)的术语。敏锐的观察者会注意到,这里使用的“兼容”一词与“合规”相对。这是一个微妙而重要的点,需要进一步解释。RS-232规范中深埋有一个限制,即发送器的压摆率必须小于30V/μs。指定此限制是为了使RS-232成为简单的物理接口。如果没有这个限制,就必须更密切地关注辐射发射和一些传输线效应等问题。虽然这种压摆率限制使物理接口更简单,但它也有效地限制了可以合理使用的最大数据速率。Maxim生产一系列能够工作在MegaBaud的器件中,除压摆率限制外,均符合RS-232规范。为了确保物理接口保持简单,这些系列器件仍然有压摆率限制,但限值高于RS-232规范(MAX150E为3237V/μs)。
这一切意味着什么?对于初学者来说,这些部件并不严格符合RS-232标准。换句话说,如果将具有MegaBaud功能的器件插入普通的RS-232兼容端口,则即使在低至20kbps的数据速率下也无法保证正常运行。然而,实际上,较低的数据速率可能会正常工作。但以 1Mbps 的速度运行是另一回事。为了保证 1Mbps 的数据速率,电缆的两端都必须具有能够进行 MegaBaud 操作的部件。
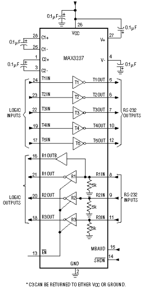
一些具有MegaBaud功能的部件上可用的一个有趣的功能是标记为MBAUD的引脚。参见图1。该引脚将器件配置为以低于 232V/μs 的符合 RS-30 标准的压摆率工作,或以更高的压摆率工作,以允许 MegaBaud 工作。这意味着该零件具有两全其美的优势。当连接到普通RS-232端口时,该器件可以在真正符合RS-232的模式下工作;但是,当它连接到另一个具有 MegaBaud 功能的部分时,它可以切换齿轮并以 1Mbps 或更高的速度传输。

图1.MAX3237具有标有MBAUD的引脚,允许在符合RS-232标准的250kbps数据速率和1Mbps数据速率之间切换。
扩展静电放电
所有Maxim器件的所有引脚均采用ESD保护结构,以防止在处理和组装过程中遇到的静电放电。Maxim的标准RS-232器件提供> = 2kV ESD保护。Maxim的+/-15kV保护器件通过在其RS-15发送器输出和接收器输入引脚上提供(人们可能怀疑的)+/232kV保护来改善这一点。生活中的一切都是有代价的,而增加的ESD保护成本很小。+/-15kV保护器件通常与标准器件具有相同的引脚排列和功能,无需修改电路板布局即可轻松替换这些器件。MAX202和MAX202E就是两个这样的器件的例子。MAX202具有标准保护级别,而MAX202E具有+/-15kV保护。
某些应用要求RS-15引脚和CMOS引脚均具有+/-232kV ESD保护。一个典型的例子是手机。为了节省成本和尺寸,手机本身不包含RS-232收发器。相反,它将CMOS级信号从手机底部的连接器中带出。例如,如果手机所有者想要连接到笔记本电脑的RS-232端口,他或她必须购买一根特殊的电缆,有时被称为“数据块”。该数据包在电缆本身内安装了一个RS-232收发器。参见图2。这增加了电缆的成本;但从长远来看,由于销售的电缆比手机少,因此可以节省资金。这是个好消息。坏消息是,现在RS-232发射器和接收器的两侧都连接到连接器,使它们面临更高的ESD风险。在这种情况下,可能需要在发射器和接收器的CMOS和RS-232侧扩展ESD保护。Maxim有几个部分可以做到这一点。示例包括MAX3238E、MAX3237E、MAX3248E、MAX3380E和MAX3381E。
重要的是要注意我们的零件在ESD冲击期间的反应。部件不仅不会因低于其额定值的ESD撞击而损坏,而且还可以继续正常工作,而无需回收电源。此外,它们在上电、断电和关断时具有 ESD 冲击保护。
| 标准美信RS-232部件 | 标准 +/-15kV 保护部件 | 在CMOS和RS-15引脚上均具有+/-232kV保护的器件 | |
| RS-232 驱动器输出和接收器输入引脚 | > = +/-2kV | > = +/-15kV | > = +/-15kV |
| CMOS驱动器输入和接收器输出引脚 | > = +/-2kV | > = +/-2kV | > = +/-15kV |
| (ESD水平使用人体和IEC1000-4-2方法测量。 | |||

图2.MAX3238E和MAX3248E在典型的“数据块”应用中;由于RS-232信号和CMOS信号都带到连接器,因此它们在这些引脚上具有+/-15kV ESD保护。
自动关机
自动关机是一项旨在节省电量的功能。它的工作原理是,只要检测到RS-232接口未被使用,就将RS-232设备置于低功耗关断模式。
在现实世界中,许多RS-232设备只使用了一小部分时间。例如,大多数笔记本电脑用户通常根本不使用RS-232端口。如果RS-232端口没有连接任何东西,则将RS-232器件置于低功耗模式是有意义的。自动关机是一项旨在做到这一点的功能。它特别强大的原因是它不需要任何处理器参与。这意味着无需在软件中进行特殊配置即可节省电力。
自动关断通过监控接收器的RS-232侧来工作。当连接到另一个RS-232设备时,接收器将看到低于-232V或高于+3V的有效RS-3信号。另一方面,如果没有连接任何东西,接收器通常会接地。如果自动关断功能检测到所有接收器都在-.3V至+.3V之间,持续时间大于30μS,则假定未连接有效的发射器,并自动将自身置于低功耗模式。参见图 3 和图 5。如果任何一个接收器的输入超过+2.7V或低于-2.7V,该器件将自动退出低功耗模式。参见图 4 和图 5。

图3.如果所有接收器的输入在+/-.3V之间,持续至少30μS,则进入自动关断状态。

图4.如果任何接收器超过+/-2.7V,则退出自动关断。

图5.进入和退出自动关机的行程级别。
在低功耗模式下,发射器和发射器使用的电荷泵转换器关闭。但是,由于接收器本身需要很少的电流来工作,因此它们保持活动状态。总体效果是MAX3的静态电流从1.1mA降低到10μA(最大值为3221mA至100μA)。重要的是要记住,一旦在接收器上检测到有效的RS-232电平,发射器需要<>μS才能完全激活。
具有自动关机功能的部件示例:
MAX221/E
MAX3212
MAX3218
MAX3221
MAX3223
MAX3243
强制开启/强制关闭*
所有具有自动关断功能的器件都有两个引脚,分别标记为“强制开启”和“强制关闭*”。这些引脚允许用户通过软件控制手动覆盖自动关断功能。将 ForceOff* 拉低将强制器件进入关断状态。这独立于部件的当前状态而发生。拉力 On 高强制部件进入正常运行状态,同样与部件的当前状态无关。如果两个 ForceOff* 都被拉低,而 ForceOn 被拉高,则该器件将被强制关断。见表2。

图6.自动关断器件,如MAX3221,引脚标有ForceOn、ForceOff*和Invalid*,可增加其功能。
无效*
自动关断的另一个方便功能是无效*引脚。只要任何一个接收器上存在有效的RS-232电平,该引脚就会变高。这表明连接了另一个RS-232设备。处理器可以监视此引脚,让软件知道何时可以使用该端口。例如,在使用RS-232器件作为调试端口的系统中,这可能很有帮助。在正常操作中,调试端口通常没有任何连接。但是,每当出现问题时,技术人员都会连接到端口并下载调试信息。通过监视 Invalid* 引脚,处理器可以判断技术人员何时连接并可以执行其调试例程。
| 强制关闭* | 强制开启 |
有效的接收器 电平 |
州 | 无效*输出 |
| 0 | X | 不 | 关闭 | 0 |
| 0 | X | 是的 | 关闭 | 1 |
| 1 | 0 | 不 | 关闭 | 0 |
| 1 | 0 | 是的 | 积极 | 1 |
| 1 | 1 | 不 | 积极 | 0 |
| 1 | 1 | 是的 | 积极 | 1 |
具有自动关机功能的部件示例:
MAX221/E
MAX3212
MAX3218
MAX3221
MAX3223
MAX3243
自动关机增强版
Autoshutdown Plus与Autoshutdown类似,因为它旨在通过在不使用RS-232设备时关闭RS-30设备来节省功耗。然而,不同之处在于,只要信号在 232 秒内没有任何活动,自动关闭 Plus 就会自行关闭。这适用于收发器连接到RS-<>端口但不发送数据的应用。
Autoshutdown Plus 具有与 Autoshutdown 相同的功能,例如 ForceOn、ForceOff* 和 Invalid*。但是,关于Autoshutdown Plus,有一些有趣的事情需要注意。首先是Autoshutdown Plus监控接收器和发射器的活动。第二,如果 Invalid* 行同时绑定到 ForceOn 和 ForceOff*,则可以使 Autoshutdown Plus 的行为类似于 Autoshutdown。参见图 7。

图7.通过将 ForceOn 和 ForceOff* 输入连接到 Invalid* 输出,可以使自动关断增强型器件的行为类似于自动关断器件。
具有自动关机增强功能的部件示例:
MAX3224/E
MAX3225/E
MAX3226/E
MAX3227/E
MAX3238/E
MAX3244/E
MAX3245/E
MAX3320
MAX3386
MAX3387
MAX3235E
MAX3318/E
MAX3319/E
MAX3248/E
接收器在关断和使能时处于活动状态*
大多数RS-232器件的接收器在关断时保持活动状态(假设器件本身可以进入关断状态)。起初,这似乎没有意义。将器件置于关断状态的原因是为了节省功耗。保持接收器处于活动状态意味着该器件比其他方式消耗更多的电流。虽然这是真的,但保持接收器活动状态的惩罚是最小的。例如,MAX3223的典型功耗仅为1μA,最大功耗为10μA,两个接收器均处于关断状态。
与MAX3223一样,大多数接收器在关断时处于活动状态的器件也具有EN*引脚。将该引脚拉低会使接收器的输出进入高阻态。要了解此引脚的原因,请参见图 8。在许多情况下,RS-232部分连接到UART。当RS-232器件处于关断状态时,系统从UART断开电源以节省功耗的情况并不少见。这意味着UART的Vcc引脚将接地。如果RS-232接收器的输出为高电平,它将对UART内置的保护二极管进行正向偏置。这会导致电流过大,从而破坏了将设备置于关闭状态的整个目的。EN* 引脚允许接收器输出进入高阻态,从而避免了此问题。

图8.部分Maxim RS-232器件具有EN*引脚,允许接收器进入高阻态模式,这样接收器就不会为节省功耗而对电源已关断的器件进行正向偏置。
Maxim的几个器件的接收器在关断时不处于活动状态,提供了一个额外的接收器,并联到一个常用的接收器上。参见图 9。这允许UART断电,同时还允许RS-232端口被其他电路监控活动。

图9.MAX3243有一个额外的接收器R2OUTB,即使其他接收器进入高阻态输出状态,它仍然保持工作状态。
Vl 引脚
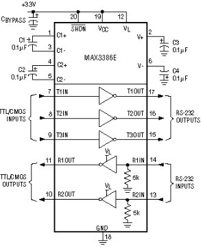
Vl 引脚允许在接收器输出和发送器输入上设置可编程逻辑阈值。这在具有多个电源电压和/或多个逻辑电平的系统中变得很有价值。没有Vl引脚功能的器件,如MAX3222E,具有基于Vcc电源的逻辑门限。MAX3222E采用3.3V电源供电时,发送器输入逻辑高电平为2.0V,低电平为.8V。接收器输出为高电平 = 3.2V(典型值)和低电平 = .4V (最大值)。随着越来越多的系统使用2.5V甚至1.8V逻辑电平,如果没有某种类型的电平转换器,MAX3222E将无法工作。具有Vl引脚功能的器件可解决此问题。图3386所示的MAX10E就是一个例子。虽然器件本身仍工作在3.0V至5.5V,但Vl引脚设置逻辑门限。

图 10.MAX3386E包括一个Vl引脚,允许为混合电压系统设置逻辑门限。
兼容与合规
TIA/EIA-232-F规范规定接收器阈值必须在+/-3V之间。在理想情况下,这意味着发射器必须摆动至少+/-3V。但是,这留下了0V噪声容限。耦合到线路上的任何噪声都可能导致数据错误。因此,RS-232规范规定发射器必须摆动至少+/-5V。这为系统提供了非常强大的2V最小噪声容限。但与此同时,这一最低要求使得在没有额外电源转换器的情况下,在+/-5V供电系统中无法满足该规格。例如,如果5V电源实际上低5%(4.75V),则理想的发射器只能摆动高达4.75V。虽然这种摆动不是真正符合RS-232标准,但与符合RS-232标准的接收器一起正常工作已经绰绰有余了。换句话说,该理论部分与RS-232兼容,但不符合RS-232标准。
这种区别很重要,因为兼容RS-232但不符合RS-232标准的器件可以由+/-5V电源供电,而无需电荷泵。没有电荷泵,零件变得更小、更便宜。MAX3314E就是这种情况。MAX3314E采用+/-5V +/-5%电源供电,满载时保证+/-3.7V摆幅。该摆幅足以正确驱动所有符合RS-232标准的接收器,但噪声容限从2V降低到.7V。正在考虑做出这种折衷的设计人员必须仔细权衡更小尺寸和低成本的优势与这种降低噪声裕度,以及他们的系统不会真正符合RS-232标准的事实。

图 11.MAX3314E采用+/-5V电源供电,但没有电荷泵倍增器和反相器。这使得该器件更小、更便宜、兼容 RS-232,但不符合 RS-232 标准。
另一个有趣的Maxim器件是MAX3316。这部分从另一个方向处理情况。它设计用于在由 2.25V 至 3.0V 供电的系统中运行。以前,Maxim解决方案仅支持基于电感的器件,如MAX3218。基于电感的解决方案效果很好,符合RS-232标准,但往往比电容解决方案体积更大,价格略高。MAX3316提供基于电容的解决方案,但代价是兼容RS-232,不兼容RS-232。它的工作原理与3.0V至5V器件完全相同,只是其电荷泵设计为可在低至2.25V的电压下工作。由于电源电压较低,该器件无法保证符合RS-232标准的输出摆幅,但可以确保+/-232.3V的RS-7兼容输出。
*这表示低电平有效信号;图中文本上方的行表示相同的内容。
审核编辑:郭婷
从profibusDP转ModbusTCP,一网打尽转换技巧!