时间:2023-03-29 11:14
人气:
作者:admin
本应用笔记讨论了EIA/TIA-644低压差分信号(LVDS)标准在3G移动通信中的应用。LVDS具有低功耗和低辐射特性,非常适合WCDMA、EDGE和cdma2000®基站中的高速时钟和信号分配。提供MAX9205串行器、MAX9206解串器、MAX9150多端口中继器和MAX9152交叉点开关。
介绍
3G移动通信,如WCDMA,EDGE和cdma2000,承诺使用手机和其他无线通信设备进行媒体丰富的高速互联网接入。蜂窝基站将无线手机连接到有线网络。为了给这些新应用提供带宽,基站需要处理和分发成倍增加的数字数据。
在基站内部,数据在背板、电缆和电路板内高速移动。低压差分信号(LVDS)是传输此数据的首选信号标准,同时最大限度地减少空间、噪声和功耗。
本应用笔记讨论了使用LVDS串行器、解串器、多端口中继器、交叉点开关和电平转换器的数据和时钟分配应用。重点是与3G基站设计最相关的LVDS电路、架构和规格。
LVDS基站基础知识
LVDS 是由 TIA/EIA-644 和 IEEE® 1596.3 标准定义的物理层数据接口标准。它专为高速、低功耗和低噪声点对点通信而设计,通常采用100Ω的过平衡受控阻抗介质。与其他差分信号标准类似,由于磁场的消除,LVDS辐射的噪声比单端信号少;它更不受噪声的影响,因为它作为共模信号耦合到两根导线上(即两条线路上出现相同水平的噪声)。此外,LVDS驱动器采用电流导引输出配置(图1),与其他差分信号标准中使用的电压模式驱动器相比,可减少接地反弹并消除直通电流。减小的电压摆幅(仅±350mV,而正参考发射极耦合逻辑PECL为±800mV,RS-2为±422V)使LVDS能够实现与PECL相当的数据速率(>800Mbps),同时功耗仅为十分之一。这种高速、低功耗和低噪声的组合使LVDS成为3G基站中分配的理想信令标准。

图1.与其他差分信号标准中使用的电压模式驱动器相比,使用电流导引输出配置的LVDS驱动器可减少接地反弹。LVDS驱动器还消除了击穿电流。
除了上述优点外,LVDS串行器和解串器还将为基站设计节省大量空间和成本。为了满足3G网络所需的带宽,与2G系统相比,新基站需要更多的卡。对于执行扩频、交错和错误控制技术所需的大量数字信号处理的基带卡尤其如此。随着这些卡之间的数据吞吐量增加,传统的TTL背板将不再足够。TTL不能以足够高的速度进行切换,而宽并联总线需要大而昂贵的背板,这增加了系统尺寸和成本。MAX9205串行器和MAX9206解串器通过将11条TTL线路(10条数据+1条时钟)转换为一对高速LVDS来解决这个问题(图2)。这种方法将互连复杂性降低了五倍。在3G系统等卡数较多的基站中,这两种设备可节省大量空间和成本。

图2.LVDS串行器与解串器(未显示)结合使用,消除了使用标准TTL信令时所需的宽数据总线和相关的大型昂贵背板。此外,这些LVDS电路以3G网络所需的速度切换。
MAX9205串行器将10位宽、并行LVTTL/LVCMOS数据转换为LVDS串行数据流。内部添加的高状态起始位和低状态停止位对10位并行输入数据进行框架处理,并确保串行数据流中的转换。因此,每个12位并行输入传输10个串行位。MAX9205接受16MHz至40MHz的宽参考时钟,产生192Mbps (12位x 16MHz)至480Mbps (12位x 40MHz)的串行数据速率。但是,由于只有10位来自输入数据,因此实际吞吐量是参考时钟频率的10倍。MAX9206解串器接收MAX9205的串行输出,并将其转换回10位宽的并行数据。由于解串器从串行数据流中恢复时钟和数据,因此消除了并行总线时存在的时钟到数据和数据到数据的偏斜。MAX9205和MAX9206共同构成减少卡间互连的完整方案。
将这些功能划分为两个IC,而不是单个集成SerDes,非常适合通常采用单向链路的3G基站。例如,基带接收卡可能专用于对从无线电收发器卡接收的数据执行信号处理。使用此处描述的方法,基带卡上只需要反序列化。因此,与独立解串器相比,集成 SerDes 会消耗额外的空间并增加成本。
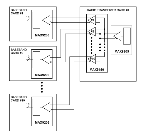
在已经采用串行背板的基站中,LVDS多端口中继器可以进一步减少电路板空间和成本。大多数基站架构包含必须将其数据广播或传输到多个目标卡的卡。例如,许多系统并行使用多个基带卡来处理来自单个无线电收发器卡的接收数据。这种架构的暴力实现要求无线电卡包含与目标基带卡上的解串器一样多的串行器(图 3a)。通过使用多端口中继器,如MAX9150,串行器数量可减少多达10:1(图3b)。当与单个串行器配合使用时,MAX9150仅用一个串行器代替10个串行器。此架构仅对指定具有足够低抖动的多端口中继器有效。抖动是与事件或信号边沿理想时序的偏差,会阻止解串器成功从串行位流中恢复时钟和数据。典型LVDS串行器/解串器对的抖动预算可低至几百皮秒。信号路径中的走线、电缆和连接器引起的抖动进一步降低了该预算。因此,串行器和解串器之间的信号路径中的其他器件必须表现出极低的抖动。MAX9150仅保证120ps (最大值)的峰峰值抖动。

图 3a.当多个基带卡处理从无线电收发器卡接收的数据时,无线电卡通常包含与目标基带卡上的解串器一样多的串行器。

图 3b.通过使用像MAX9150这样的多端口中继器,无线电收发器卡上的串行器数量可以减少多达10:1。
在高速串行信号路径的其他部分,基站架构通常需要简单的开关、多路复用和重复功能。与多端口中继器示例一样,这些功能必须在对抖动预算影响最小的情况下提供。MAX9152 2x2 LVDS交叉点开关在一个封装中提供多种功能。它包括两个LVDS/LVPECL输入、两个LVDS输出和两个逻辑输入,用于确定哪些输入连接到IC内部的哪些输出。它可以被编程为将任何输入连接到一个或两个输出。它可用于以下配置:2x2 交叉点开关、2:1 多路复用器、1:2 解复用器、1:2 扇出缓冲器或双中继器。这种灵活性使MAX9152非常适合用于容错保护切换、用于诊断的环回切换、用于数据分配的扇出缓冲以及用于长距离通信的信号再生。MAX9152的超低120ps (最大值)峰峰值抖动确保高速串行链路中的可靠通信。
在低速信号路径中,如时钟分配网络和控制总线,LVDS还通过取代TTL和RS-422等旧信号标准来提高性能。在对辐射噪声具有高灵敏度的基站无线电收发器卡中,LVDS是分配PLL频率合成器使用的参考时钟的理想信号标准。虽然这些电路不需要LVDS的速度(基站参考时钟通常工作在几十MHz),但它们受益于LVDS的低功耗和低辐射噪声。用于仲裁、握手和卡间其他外设通信的低速控制总线也受益于LVDS的噪声和功耗降低。电平转换器仅用于在LVTTL/LVCMOS和LVDS之间转换信号,为构建LVDS时钟分配网络和控制总线提供了一种简单的方法,可以从现有的LVTTL/LVCMOS设计中控制总线。Maxim的单线、双线和四线驱动器和接收器系列是此类网络的理想构建模块,因为它们包括一些最小的(SC70和SOT23封装)和最低的脉冲偏斜器件。(脉冲偏斜是这些器件抖动的主要指标。
总结
通过利用LVDS在时钟分配、控制总线、背板和其他高速信号分配领域的优势,3G基站可提供更高带宽的无线服务,而无需相应增加成本、尺寸和功耗。本文讨论的产品不仅通过LVDS信令标准提供这些优势,而且还通过它们支持的架构和拓扑提供这些优势。毫无疑问,全面熟悉LVDS技术、产品和应用对于任何开发下一代蜂窝基站的工程师来说都是必不可少的。
审核编辑:郭婷
上一篇:模拟开关扩展I²C接口
从profibusDP转ModbusTCP,一网打尽转换技巧!