全球最实用的IT互联网信息网站!
AI人工智能P2P分享&下载搜索网页发布信息网站地图
PC机并口与现场总线CAN通讯的实现
阅读全文2009-10-16
DataSocket技术在网络化在线颗粒测量仪中的应用
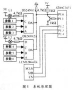
可组网单总线A/D芯片在多点检测系统中的应用
光电技术在微小颗粒测量中的应用
USB技术在现场校验仪中的应用
RS-485总线在多节点远距离通信系统中的应用
阅读全文2009-10-15
现场总线型交通倒计时器的设计
现场总线技术在热工控制系统中的应用
阅读全文2009-10-13
小波变换在过零调制信号特征提取中的应用
阅读全文2009-10-12
USB扩展串口方案在移动终端功能扩展中的应用
博世CAN SIC XL收发器ASIC NT156介绍
力特奥维斯Littelfuse解读设计高可靠性的汽
RS485接口电路设计全面指南:从基础到实
如何使用ZPS-CANFD进行CAN信号质量评估?
CPU | 内存 | 硬盘 | 显卡 | 显示器 | 主板 | 电源 | 键鼠 | 网站地图
Copyright © 2025-2035 诺佳网 版权所有 备案号:赣ICP备2025066733号 本站资料均来源互联网收集整理,作品版权归作者所有,如果侵犯了您的版权,请跟我们联系。