全球最实用的IT互联网信息网站!
AI人工智能P2P分享&下载搜索网页发布信息网站地图
音频线路驱动器
阅读全文2009-09-08
PXI总线的模块及性能
阅读全文2009-09-06
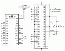
I2C Interface Connects Compact
阅读全文2009-09-02
嵌入式应用中的USB主设备功能
阅读全文2009-08-27
共阳极LED的动态驱动电路图
阅读全文2009-08-15
lED驱动一侧逻辑反转的电路图
RS232通信接口
阅读全文2009-08-09
数字音频信号的传送接口电路
阅读全文2009-08-01
AES/EBU接口标准
IEEE 1394拓扑结构
博世CAN SIC XL收发器ASIC NT156介绍
力特奥维斯Littelfuse解读设计高可靠性的汽
RS485接口电路设计全面指南:从基础到实
如何使用ZPS-CANFD进行CAN信号质量评估?
CPU | 内存 | 硬盘 | 显卡 | 显示器 | 主板 | 电源 | 键鼠 | 网站地图
Copyright © 2025-2035 诺佳网 版权所有 备案号:赣ICP备2025066733号 本站资料均来源互联网收集整理,作品版权归作者所有,如果侵犯了您的版权,请跟我们联系。