全球最实用的IT互联网信息网站!
AI人工智能P2P分享&下载搜索网页发布信息网站地图
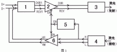
将USB信号转换为便于光纤传输的电路图
阅读全文2009-07-13
CMX638与PCM3500接口电路设计
阅读全文2009-07-06
CAN总线技术在工业码垛机器人控制系统中的应用
阅读全文2009-06-29
USB Carries 16-Bit Voltage Mea
阅读全文2009-06-27
基于片内WISHBONE总线的高速缓存一致性实现
阅读全文2009-06-20
基于FPGA的PCI总线接口设计
基于FT245BM的简易USB接口开发
阅读全文2009-06-16
基于PCI总线的高速噪声检测系统
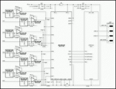
鼠标应用程序设计
阅读全文2009-06-12
鼠标的操作方式
博世CAN SIC XL收发器ASIC NT156介绍
力特奥维斯Littelfuse解读设计高可靠性的汽
RS485接口电路设计全面指南:从基础到实
如何使用ZPS-CANFD进行CAN信号质量评估?
CPU | 内存 | 硬盘 | 显卡 | 显示器 | 主板 | 电源 | 键鼠 | 网站地图
Copyright © 2025-2035 诺佳网 版权所有 备案号:赣ICP备2025066733号 本站资料均来源互联网收集整理,作品版权归作者所有,如果侵犯了您的版权,请跟我们联系。