全球最实用的IT互联网信息网站!
AI人工智能P2P分享&下载搜索网页发布信息网站地图
浅析USB接口数据包格式
阅读全文2023-09-12
USB接口基础知识介绍
Intel Thunderbolt接口科普
SAR ADC的基本原理是什么?
如何拆卸滚珠螺杆的螺母?
阅读全文2023-09-11
首个国内《芯粒互联接口标准》Chiplet接口测试成
如何最大限度地提高SiC MOSFET性能呢?
NAND Flash接口简单介绍
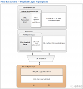
Flex Bus物理层的CXL帧和数据概述
什么是串扰?PCB走线串扰详解
博世CAN SIC XL收发器ASIC NT156介绍
力特奥维斯Littelfuse解读设计高可靠性的汽
RS485接口电路设计全面指南:从基础到实
如何使用ZPS-CANFD进行CAN信号质量评估?
CPU | 内存 | 硬盘 | 显卡 | 显示器 | 主板 | 电源 | 键鼠 | 网站地图
Copyright © 2025-2035 诺佳网 版权所有 备案号:赣ICP备2025066733号 本站资料均来源互联网收集整理,作品版权归作者所有,如果侵犯了您的版权,请跟我们联系。