全球最实用的IT互联网站!
人工智能P2P分享搜索全网发布信息网站地图标签大全
工业互联网规模不断扩大,相关政策出台恰逢其
阅读全文2018-08-03
工业互联网已成全球的发展趋势,那么国内工业
变频器实现电机的点动控制的常见方法解析
变频器如何使电机加速或者减速
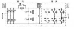
变频器主电路组成部分,变频器内部电路实物图
变频器驱动电路详解
变频器逆变电路原理图
采用PLC和触摸屏的双头盲孔钻机控制系统设计,
阅读全文2018-08-02
选用PLC网络进行的模块化生产线控制系统设计详
一种适合当前工业企业对自动化需要的基于PLC的
pwm控制的基本原理
日本HarmonicDrive哈默纳科谐波减速机的三大
支持工业4.0工厂的大规模定制、高质量和
机器视觉系统的主要工作流程是怎样的
CPU | 内存 | 硬盘 | 显卡 | 显示器 | 主板 | 电源 | 键鼠 | 网站地图
Copyright © 2025-2035 诺佳网 版权所有 备案号:赣ICP备2025066733号 本站资料均来源互联网收集整理,作品版权归作者所有,如果侵犯了您的版权,请跟我们联系。