全球最实用的IT互联网站!
人工智能P2P分享搜索全网发布信息网站地图标签大全
电子式时间继电器的接线和调节时间步骤
阅读全文2023-03-21
温控器的工作原理
计算机寄存器和存储器
温控器调节的正确方法
正向运转电动机控制电路原理详解
一次保护、通过按钮启停的220V控制电路简要说明
单片机寄存器和存储器哪个好
温控器怎么设置温度
cpu寄存器和存储器的区别
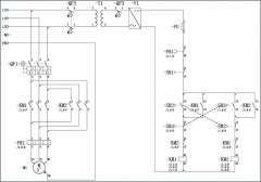
三相异步电动机控制电路的工作原理
pwm控制的基本原理
日本HarmonicDrive哈默纳科谐波减速机的三大
支持工业4.0工厂的大规模定制、高质量和
机器视觉系统的主要工作流程是怎样的
CPU | 内存 | 硬盘 | 显卡 | 显示器 | 主板 | 电源 | 键鼠 | 网站地图
Copyright © 2025-2035 诺佳网 版权所有 备案号:赣ICP备2025066733号 本站资料均来源互联网收集整理,作品版权归作者所有,如果侵犯了您的版权,请跟我们联系。