全球最实用的IT互联网站!
人工智能P2P分享搜索全网发布信息网站地图标签大全
工控机属于什么行业_工控机用途
阅读全文2023-03-15
工控机有哪些部分组成_工控机和plc控制的区别
工控机是什么设备_工控机的用途与介绍
变频器采用熔断器保护的作用是什么
为什么R型电源变压器不能超负荷使用?
SPWM 逆变器过压保护电路有什么用意
变频器在塔吊系统上的应用
如何解工业相机的决帧丢失问题
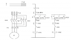
9个经典西门子PLC入门编程案例
集成智能第3部分:电机从静止位置启动
pwm控制的基本原理
日本HarmonicDrive哈默纳科谐波减速机的三大
支持工业4.0工厂的大规模定制、高质量和
机器视觉系统的主要工作流程是怎样的
CPU | 内存 | 硬盘 | 显卡 | 显示器 | 主板 | 电源 | 键鼠 | 网站地图
Copyright © 2025-2035 诺佳网 版权所有 备案号:赣ICP备2025066733号 本站资料均来源互联网收集整理,作品版权归作者所有,如果侵犯了您的版权,请跟我们联系。