全球最实用的IT互联网信息网站!
AI人工智能P2P分享&下载搜索网页发布信息网站地图
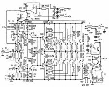
6P16胆功率放大器
阅读全文2010-10-27
6N7P胆电路前级
6C19小功率单端胆机制作
电子管OTL功放电路的制作
6N1自制OTL耳机放大器电路
音色纯美的纯直流Hi-Fi大功率纯甲类功放
音箱基本知识简介
如何选择扬声器
自制书架音箱分享
DIY喇叭设计制作
低成本、易部署、更高效 | 千视全NDI IP剧
音频电路供电没有负压也能正常输出的原
富信推出新款双P沟道增强型场效应管FS
制冷系统和制冷机一样吗 制冷系统和制冷
CPU | 内存 | 硬盘 | 显卡 | 显示器 | 主板 | 电源 | 键鼠 | 网站地图
Copyright © 2025-2035 诺佳网 版权所有 备案号:赣ICP备2025066733号 本站资料均来源互联网收集整理,作品版权归作者所有,如果侵犯了您的版权,请跟我们联系。