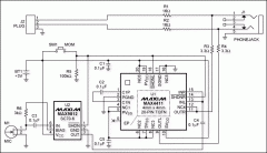
Headphone Attenuator Includes-Headphone Attenuator Includes Microphone Monitor(耳机麦克风衰减器带监控)Abstract:This application note presents a circuit that reduces input amplitude and amp...
How to Pick a Click-and-Pop Su-How to Pick a Click-and-Pop SuppressorAbstract: This application note presents the MAX9890 and MAX9892 which use different approaches to remove audible click and pop from...