全球最实用的IT互联网信息网站!
AI人工智能P2P分享&下载搜索网页发布信息网站地图
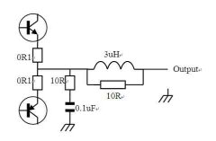
专业的音响放大器输出匹配电路
阅读全文2009-05-13
高性能音频放大器的设计规则与技巧
FED矩阵扫描功率放大电路的研究与设计
基于Internet的语音交互系统的设计和实现
阅读全文2009-05-10
新型高度集成化的视频字符叠加系统的研究
阅读全文2009-05-09
基于SPIHT算法的医学图像无失真压缩
双基色LED显示屏性能及主要指标
LED显示屏的技术参数详细介绍
LCD常用术语对照表
超高亮LED的应用介绍
低成本、易部署、更高效 | 千视全NDI IP剧
音频电路供电没有负压也能正常输出的原
富信推出新款双P沟道增强型场效应管FS
制冷系统和制冷机一样吗 制冷系统和制冷
CPU | 内存 | 硬盘 | 显卡 | 显示器 | 主板 | 电源 | 键鼠 | 网站地图
Copyright © 2025-2035 诺佳网 版权所有 备案号:赣ICP备2025066733号 本站资料均来源互联网收集整理,作品版权归作者所有,如果侵犯了您的版权,请跟我们联系。