全球最实用的IT互联网信息网站!
AI人工智能P2P分享&下载搜索网页发布信息网站地图
[图文]7107做的电压表(双表)
阅读全文2006-04-16
[图文]松下KY-P2N型电磁炉电路图
[图文]非常酷的正弦波发生电路
[图文]新构思电子保险丝
感应电加热自动控制电路
[图文]按摩器电路图SCH
[图文]TD-5型超声波微型雾化加湿器
微电脑低频电疗仪的原理图
[图文]简单实用的3键互锁电子开关
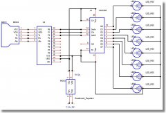
[图文]74HC595驱动8个LED电路图
比科奇推出5G小基站开放式RAN射频单元的
今日看点丨传英特尔将推Gaudi2降规版抢攻
浩亭庆祝越南工厂正式投产
贸泽现已开售运行速度远超前代产品的树
CPU | 内存 | 硬盘 | 显卡 | 显示器 | 主板 | 电源 | 键鼠 | 网站地图
Copyright © 2025-2035 诺佳网 版权所有 备案号:赣ICP备2025066733号 本站资料均来源互联网收集整理,作品版权归作者所有,如果侵犯了您的版权,请跟我们联系。