网站首页 全球最实用的IT互联网站!
人工智能P2P分享Wind搜索发布信息网站地图标签大全
[组图]脉冲波群发生器
阅读全文2006-04-15
[组图]脉冲前沿提前电路
[图文]温度、频率转换器
[图文]简单的白噪声信号发生器
[图文]实验直流日光灯电路
[图文]电子闪光灯实测电路两例
卤素灯用电子变压器
[图文]亮度可调的夜光灯
[图文]无触发二极管的调光台灯电路
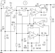
[图文]1khz正弦波/方波信号发生器
比科奇推出5G小基站开放式RAN射频单元的
今日看点丨传英特尔将推Gaudi2降规版抢攻
浩亭庆祝越南工厂正式投产
贸泽现已开售运行速度远超前代产品的树
CPU | 内存 | 硬盘 | 显卡 | 显示器 | 主板 | 电源 | 键鼠 | 网站地图
Copyright © 2025-2035 诺佳网 版权所有 备案号:赣ICP备2025066733号 本站资料均来源互联网收集整理,作品版权归作者所有,如果侵犯了您的版权,请跟我们联系。