全球最实用的IT互联网站!
人工智能P2P分享搜索全网发布信息网站地图标签大全
欧菲光DMS+OMS一体机赋能座舱安全监测
阅读全文2023-04-01
I.MX RT1170配套PMIC PF5020使用方法
如何利用视觉处理器在可视门铃和智能零售设计
飞腾腾珑E2000荣获2023中国IC设计成就奖
深度剖析全球先进的集成电路CSP封装基板
AI芯片公司爱芯元智荣获2023中国IC领袖峰会两项殊
阅读全文2023-03-31
浅谈芯片低功耗的设计实现
摩尔线程与联和东海完成多项产品兼容互认证
阅读全文2023-03-30
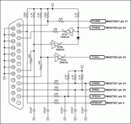
使用PC试验MAX7300/MAX7301端口扩展器
深入剖析CPU的调度原理
阅读全文2023-03-29
数十年技术积淀,高通跃龙产品组合直击
英伟达官宣H20恢复中国供应,新款GPU震撼
RZ/A3M 1 GHz微处理器(MPU)数据手册和产品
Nordic 收购 Neuton.AI # Neuton ML 模型解锁 So
CPU | 内存 | 硬盘 | 显卡 | 显示器 | 主板 | 电源 | 键鼠 | 网站地图
Copyright © 2025-2035 诺佳网 版权所有 备案号:赣ICP备2025066733号 本站资料均来源互联网收集整理,作品版权归作者所有,如果侵犯了您的版权,请跟我们联系。