时间:2025-05-12 09:41
人气:
作者:admin
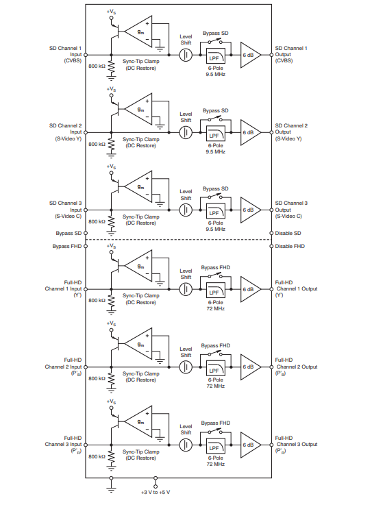
THS7364采用革命性的互补硅锗(SiGe)BiCom3X工艺制造,是一款低功耗、单电源、2.7V至5V、六通道集成视频缓冲器。它包含三个SDTV滤波器和三个全高清(也称为True HD)HDTV滤波器。所有滤波器都具有可忽略的六阶巴特沃斯特性,这些特性可用作数模转换器(DAC)重建滤波器或模数转换器(ADC)抗混叠滤波器。
数据手册:*附件:THS7364 具有3-SD和3全高清滤波器和6dB增益的6通道视频放大器技术手册.pdf
THS7364具有灵活的输入耦合能力,可以配置为交流或直流耦合输入。300 mV的输出电平偏移允许在0-V输入的输出端实现全同步动态范围。AC耦合模式包括用于CVBS、Y'和G'B'R'信号的透明同步尖端钳位。通过在VS+上添加外部电阻器,可以很容易地实现C'/P'B/P'R通道的交流耦合偏置。
THS7364是各种视频缓冲应用的理想选择。其具有6-dB增益的轨对轨输出级允许交流和直流线路驱动。驱动两条线路或75个负载的能力,使视频线路驱动器具有最大的灵活性。3.3V和0.1µA(禁用模式)下的23.4-mA总静态电流使其非常适合必须满足对电源敏感的能源之星标准的系统。
THS7364采用无铅绿色(符合RoHS标准)的TSSOP-20封装。
特性
用于CVBS、S-Video和SDTV的三个SDTV视频放大器,
Y'/P'B/P'R、480i/576i、Y'U'V'或G'B'R
Y'/P'B/P'R有三个全高清可选滤镜,
G'B'R'或计算机RGB
可忽略的六阶低通滤波器:
固定SD通道:9.5-MHz
固定全高清频道:72 MHz
多功能输入偏置:
直流耦合300 mV输出偏移
交流耦合同步尖端钳位或偏置
内置6-dB增益(2V/V)
+2.7V至+5V单电源操作
轨对轨输出:
输出在轨道100 mV范围内摆动:
允许交流或直流输出耦合
支持驱动两条视频线/通道
低总静态电流:3.3V时为23.4mA
禁用电源电流功能:0.1µA
低差分增益/相位:0.25%/0.4°
引脚功能和配置
典型特性
功能方框图
应用
机顶盒输出视频缓冲
PVR/DVDR输出缓冲
BluRay™输出视频缓冲区
龙腾半导体SGT MOSFET LSGT085R018在智慧农业无