时间:2025-05-01 14:39
人气:
作者:admin
OPAx377-Q1 系列运算放大器属于高带宽 CMOS 放大器,同时拥有超低噪声、低输入偏置电流和低偏移电压特性,静态工作电流低至 0.76mA(典型值)。
数据手册:*附件:OPA377-Q1 通过汽车认证的低噪声、低电压、精密运算放大器技术手册.pdf
OPAx377-Q1 运放针对低电压、单电源应用进行了 优化。其交流和直流性能都非常出色,非常适合 诸如小信号调节、音频和有源滤波器等各类应用。此外,该系列器件还具有较宽的电源范围及优异的电源抑制比 (PSRR),因此对于不经过稳压而直接由电池供电运行的 应用 而言极具吸引力。
OPA377-Q1 采用 SOT23-5 封装。OPA2377-Q1(双通道版本)采用微型小外形尺寸 (MSOP)-8 封装,OPA4377-Q1(四通道版本)采用 TSSOP-14 封装。所有器件版本的额定工作温度范围均为 -40°C 至 +125°C。
特性
• 适用于汽车电子 应用
• 具有符合 AEC-Q100 的下列结果:
– 器件温度 1 级:-40℃ 至 +125℃ 的环境运行温度范围
– 器件人体放电模式 (HBM) 静电放电 (ESD) 分类等级 3A
– 器件组件充电模式 (CDM) ESD 分类等级 C6
• 低噪声:1kHz 时为 7.5nV/√Hz
• 0.1Hz 至 10Hz 噪声:0.8 μVPP
• 静态电流:760μA(典型值)
• 低偏移电压:250μV(典型值)
• 增益带宽积:5.5MHz
• 轨到轨输入和输出
• 单电源供电
• 电源电压:2.2V 至 5.5V
• 小型封装:
– 小外形尺寸晶体管 (SOT)-23、超薄小外形尺寸(VSSOP) 和薄型小外形尺寸 (TSSOP)
引脚功能和配置
典型特性
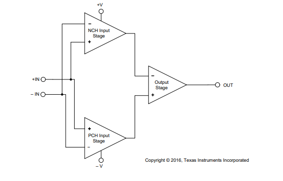
功能方框图
应用
• 主动巡航控制
• 停车辅助
• 轮胎气压监视
• 信息娱乐系统
• 有源滤波
• 传感器信号调节
龙腾半导体SGT MOSFET LSGT085R018在智慧农业无