时间:2025-04-27 13:56
人气:
作者:admin
OPA1612-Q1 器件是一款双通道、 SoundPlus双极输入运算放大器,在 1kHz 频率下可实现很低的噪声密度 (1.1nV/√Hz) 以及超低失真 (0.000015%)。 OPA1612-Q1 器件可在 2kΩ 负载条件下提供摆幅在 600mV 以内的轨到轨输出,这有助于提高余量并实现动态范围的最大化。 此外,这些器件还具有 ±30mA 高输出驱动能力。
数据手册:*附件:OPA1612-Q1 汽车类、低噪声、低功耗、精密音频运算放大器技术手册.pdf
这些器件支持 ±2.25V 到 ±18V 的宽电源电压范围,每通道电源电流仅为 3.6mA。 OPA1612-Q1 运算放大器的单位增益稳定,在宽负载条件范围内可提供出色的动态性能。
双通道型号具有完全独立的电路,即使处于过驱或过载状态也可在通道间实现最低串扰和零交互。
OPA1612-Q1 器件采用小外形尺寸集成电路 (SOIC)-8 封装 封装。 该器件的额定工作温度范围为 –40°C 至 +125°C。
引脚功能和配置
典型特性
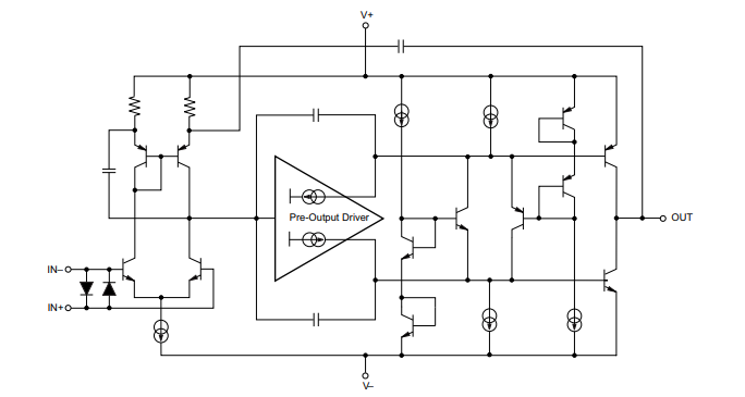
功能方框图
龙腾半导体SGT MOSFET LSGT085R018在智慧农业无