时间:2025-04-27 14:24
人气:
作者:admin
OPA2171-EP 是一款 36V 单电源低噪声运算放大器,能够在 2.7V (±1.35V) 至 36V (±18V) 的电源电压范围内运行。 这个器件采用微型封装并且在保证低静态电流的情况下提供低偏移、漂移和带宽。 单通道、双通道和四通道版本均具有相同的技术规格,可最大程度地提高设计灵活性。
数据手册:*附件:OPA2171-EP 增强型产品双路、36V、3MHz、低功耗运算放大器技术手册.pdf
大多数运算放大器仅有一个指定的电源电压,OPAx2171-EP 则有所不同,其可在 2.7V 至 36V 的电压范围内额定运行。超过电源轨的输入信号不会导致相位反向。 OPA2171-EP 在电容负载高达 300pF 时可保持稳定。 输入可在负电源轨以下 100mV 以及正电源轨 2V 之内正常运行。 请注意这些器件可在正电源轨之上 100mV 的满轨到轨输入上运行,但是在正电源轨 2V 之内运行时性能会受到影响。
OPA2171-EP 运算放大器额定工作温度范围为 –55°C 至 125°C。
引脚功能和配置
典型特性
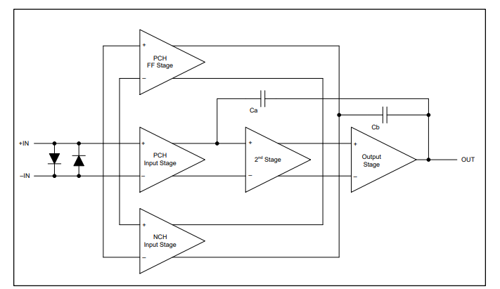
功能方框图
龙腾半导体SGT MOSFET LSGT085R018在智慧农业无