全球最实用的IT互联网信息网站!

AI人工智能P2P分享&下载搜索网页发布信息网站地图

当前位置:诺佳网 > 电子/半导体 > 模拟技术 >

使用灵活的 AFE、运动控制和认证 IC 设计即时诊断

时间:2025-04-30 09:54

人气:

作者:admin

标签: AFE 

导读:即时 (PoC) 医学测试的趋势正在从实验室转移到医生办公室、诊所甚至家庭。这种迁移有可能加快诊断速度,从而加快患者护理速度、改善结果并降低成本。 实现 PoC 从多功能、应用优...

即时 (PoC) 医学测试的趋势正在从实验室转移到医生办公室、诊所甚至家庭。这种迁移有可能加快诊断速度,从而加快患者护理速度、改善结果并降低成本。

实现 PoC 从多功能、应用优化的 IC 开始,这些 IC 具有先进的模拟前端 (AFE),可与各种生物传感器连接,以进行必要的数据采集测量。每个 IC 都必须满足复杂电化学、生物和相关测量的独特属性,包括精度、低功耗和高度集成功能。成功的最终产品具有高性能、灵活性和可升级性,有助于使平台面向未来。它们还必须由平稳精确的运动控制和身份验证 IC 提供支持,以确保数据准确性和隐私性。

本文探讨了向 PoC 的转变及其设计影响。然后,它描述了广泛使用的 AFE 测量场景,并介绍了 Analog Devices 的灵活解决方案,以满足 PoC 测量、运动控制和身份验证要求。

为什么现在进行 PoC?

增加 PoC 检测和样本处理的驱动力包括对更快医疗诊断以改善个人健康结果的需求。监管要求鼓励甚至要求进行更多测试。在诊所或家中进行本地化 PoC 的趋势是最大限度地减少对患者的干扰、费用和时间。此类系统需要易于使用但功能强大的仪器来实现这些目标。

对于此类系统的设计人员来说,AFE、运动控制和身份验证 IC 是患者液体和生命体征之间的前线接口,也是捕获、记录、评估和报告来自各种传感器的结果数据所需的系统。它们是电化学和光学诊断解决方案的构建块,可提供测量引擎以补充各种生物传感器和化学成分,同时实现可使用软件升级的平台(图 1)。

患者的生命体征和液体与相关的 PoC 仪器和数据系统之间的界面图图 1:模拟和相关电子设备在患者的生命体征和体液与相关的 PoC 仪器和数据系统之间提供了关键接口。(图片来源:Analog Devices)

以应用为中心的多样化 IC 应对挑战

一些示例清楚地说明了这种情况:

示例 #1:光学荧光检测 (FLD):

该技术使研究人员能够研究生物成分在细胞或组织内的分布、定位和相互作用,从而提供对标准光学显微镜通常不可见的细胞过程和功能的详细见解。它使用荧光诱导荧光团,而不是光吸收、散射或反射。

荧光团吸收特定波长的光,将其一些电子激发到更高的能量状态。当电子返回其基态时,荧光团以更长的特征发射波长发射光。这种发射的荧光被检测和分析,提供生物结构的高对比度、分子水平可视化。

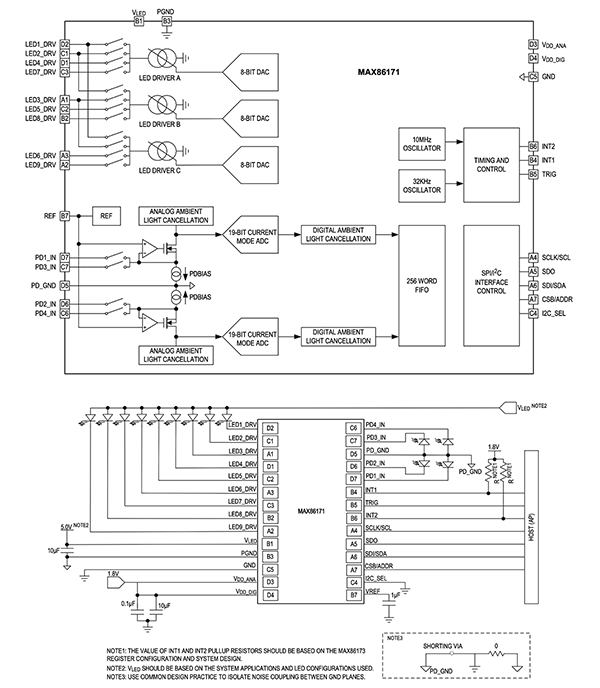
LED光电传感器系统的进步提供了额外的性能和功能。MAX86171(图 2,顶部)等 IC 是一种具有发射和接收通道的超低功耗光学数据采集系统,专为这些应用量身定制。尽管它们内部很复杂,但应用中只需要几个分立元件(图 2,底部)。

Analog Devices MAX86171多通道、超低功耗、光学数据采集系统示意图(点击放大)图 2:MAX86171 多通道、超低功耗、光学数据采集系统(上图)利用其高水平的内部集成来简化外部布线和对无源支持元件的需求(下图)。(图片来源:Analog Devices)

在发射器侧,MAX86171 具有 9 个可编程 LED 驱动器输出引脚,连接到 3 个大电流 8 位 LED 驱动器。在接收器侧,该 IC 具有两个低噪声、电荷积分前端,具有环境光消除 (ALC) 电路,从而形成高性能、高度集成、基于光学的数据采集系统。

对于需要较少光通道的设计,MAX86178ENJ+ 是一款超低功耗、临床级生命体征 AFE,支持多达 6 个 LED 和 4 个光电二极管输入。

请注意,医疗应用的品质因数和优先级与非医疗情况(如光学数据通道)的品质因数和优先级不同。由于光照水平通常相对较低,因此光学前端的绝对本底噪声是关键参数,而不是信噪比 (SNR)。

虽然带宽和采样率非常低,并且在生物世界中,感兴趣的参数在数 kHz 的速率下不会发生变化,但患者和信号的复杂模拟性质要求在规格中设置不同的优先级。这些特点包括高灵敏度、宽动态范围和低噪音,可在不断变化的作环境中取得成功,在这种环境中,患者的皮肤和内部器官会不断移动以改变接触面积和力,即使是轻微的。它们还会在存在各种类型的干扰噪声和变化的情况下这样做,从而使问题进一步复杂化。

为了满足应用要求,MAX86171 的动态范围在 91 到 110 分贝 (dB) 之间,具体取决于测试布置,分辨率为 19.5 位,暗电流噪声小于 50 皮安 (pA) (RMS),在 120 赫兹 (Hz) 时的环境光抑制系数优于 70 dB。

示例 #2:电位法、安培法、伏安法和阻抗测量:

电气工程师可以从各种标准仪器中进行选择,从而轻松测量电压、电流和阻抗及其关系。但是,这些测量在化学和生物环境中具有独特的要求和限制,并呈现不同的情况:

  • 电位仪:使用电化学工作站测量两个电极之间的电位,以确定溶液中物质的浓度
  • 安培法:使用安培法装置根据电流或电流变化检测溶液中的离子
  • 伏安法:将特定的电压曲线作为时间的函数应用于工作电极,并测量系统产生的电流,通常通过恒电位仪
  • 阻抗:测量皮肤和身体的电压和电流关系

为了评估这些参数,AD5940 在 3.6 × 4.2 毫米 (mm) 的 56 引脚 WLCSP 中提供了广泛的功能和接口选项(图 3)。这款低功耗 AFE 专为需要高精度电化学技术(如安培、伏安或阻抗测量)的便携式应用而设计。

Analog Devices AD5940 AFE 示意图图 3:AD5940 AFE 集成了精确、低功耗安培、伏安或阻抗测量所需的复杂功能。(图片来源:Analog Devices)

AD5940 具有两个激励环路和一个公共测量通道。第一个环路由一个双输出串、一个数模转换器DAC) 和一个低噪声恒电位仪组成,它可以产生 0 Hz 至 200 Hz 的信号。

DAC 的一个输出控制电化学工作站的同相输入,另一个输出控制跨阻放大器TIA) 的同相输入。第二个环路由一个 12 位 DAC 组成,能够生成高达 200 kHz 的激励信号。

在输入侧,有一个 16 位、每秒 800 千克采样 (kS/s) 模数转换器ADC),带有输入缓冲器、一个抗混叠滤波器和一个可编程增益放大器 (PGA)。多路复用器为外部电流和电压输入选择输入通道,为电源电压、芯片温度和基准电压选择内部通道。

电流输入包括两个具有可编程增益和负载电阻的 TIA,用于测量不同类型的传感器。第一个 TIA 测量低带宽信号,而第二个 TIA 测量高达 200 kHz 的高带宽信号。

提供这种集成度和多功能性的 IC 用户受益于超越 IC 的评估套件。对于 AD5940,EVAL-AD5940BIOZ 心电图 (ECG/EKG) 传感器 Arduino 平台评估扩展板提供了一个熟悉的开发环境(图 4)。[](https://www.digikey.cn/zh/products/detail/analog-devices-inc/EVAL-AD5940BIOZ/10124784)当添加新的测试要求时,该套件还有助于面向未来的设计,因为该平台可以通过软件进行升级。

Analog Devices EVAL-AD5940BIOZ 心电图 (ECG/EKG) 传感器评估板的图像图 4:EVAL-AD5940BIOZ 心电图 (ECG/EKG) 传感器 Arduino 平台评估扩展板简化了 AD5490 在进行其设计提供的细微低电平测量时使用和评估 AD5490 的挑战。(图片来源:Analog Devices)

每个 AD5940 评估板都针对特定的终端应用测量目标。类似 Arduino 的电路板通过 SPI 外设对 AD5940 进行配置和通信。图形用户界面 (GUI) 工具可用于具有绘图和数据捕获功能的测量,用于初始评估。许多用嵌入式 C 编写的示例项目都包含有关如何设置编程环境和运行示例的说明。

示例 #3:数据身份验证:

存储在不同位置并使用无线近场通信 (NFC) 链路传输的数据会引发与数据真实性相关的问题,甚至存在重复使用、误用和伪造样品或卡式瓶的风险。

为了解决这些问题,MAX66250 Secure Authenticator(图 5,顶部)提供了强大的对策,所有存储的数据都经过加密保护,防止被发现。它与支持 NFC 的嵌入式系统兼容(图 5,底部),这些系统未经授权访问的风险更高。

Analog Devices MAX66250 Secure Authenticator 的示意图图 5:MAX66250 Secure Authenticator(上图)提供多级高级数据安全和身份验证支持;它还包含一个用于无线数据传输的 NFC 接口(底部)。(图片来源:Analog Devices)

安全认证器将符合 FIPS 202 标准的安全哈希算法 (SHA-3) 质询和响应认证与安全 EEPROM 相结合。该器件提供一组源自集成模块的核心加密工具,包括 SHA-3 引擎、256 位安全用户 EEPROM、仅递减计数器和唯一的 64 位 ROM 标识号 (ROM ID)。唯一的 ROM ID 是加密作的基本输入参数,在应用程序中用作电子序列号。该器件通过符合 ISO/IEC 15693 标准的 RF 接口进行通信。

对于有线链路,DS28E16Q+U 1-Wire Secure SHA-3 Authenticator 提供与 MAX66250 相同的加密工具,包括唯一的 ROM ID。

示例 #4:运动/电机控制

许多 PoC 设备和工作站需要仔细控制运动,以便在工作站之间传输试纸或试管、混合和转移试剂,或添加或释放精确量的液体并进行移液。这些应用通常需要精确的微步进和平稳的停止、启动和斜坡生成,以提供高分辨率和无振动的运动,从而实现快速、精确、可靠、安静、可重复和节能的运动。

Trinamic TMC5072-LA-T 单/双通道步进电机控制器和驱动器 IC(图 6,顶部)具有串行通信接口,适用于这些应用。当接线并联运行时,它为每个电机提供 1.1/1.5 安培 (A) 峰值的线圈电流驱动能力,为一个电机提供 2.2/3 A 峰值。

对于基本作,配套的 TMC5072-BOB 评估套件(图 6,底部)包括一个板载TMC5072,并使用单线通用异步接收器/发射器 (UART) 连接到 Arduino Mega。图形用户界面 (GUI) 提供了用于轻松设置参数、实时可视化数据以及开发和调试独立应用程序的工具。

Analog Devices TMC5072-LA-T 单/双通道步进电机控制器和驱动器 IC 图的图像(单击可放大)图 6:TMC5072-LA-T 单/双通道步进电机控制器和驱动器 IC(顶部)提供精确的性能和平稳的运行;它由 TMC5072-BOB 评估试剂盒(底部)支持。(图片来源:Analog Devices)

TMC5072 结合了灵活的斜坡发生器,用于自动目标定位,并提供无噪音运行、最高效率和高电机扭矩。7 × 7 mm IC 提供额外的高级功能:

  • StealthChop 可实现极其安静的作和平稳的运动
  • SpreadCycle 高动态电机控制斩波器
  • DCStep 用于负载相关速度控制
  • StallGuard2 高精度无传感器电机负载检测
  • CoolStep 电流控制,节能高达 75%

当然,单个运动控制设备并不能满足所有 PoC 系统需求,无论功能多么丰富和功能丰富。因此,Analog Devices 为 PoC 提供了广泛的电机相关 IC 和支持功能,包括:

  • TMC4671-LA:集成伺服控制器,为无刷直流/永磁同步电机 (BLDC/PMSM) 和两相步进电机提供磁场定向控制 (FOC)
  • TMC4671-LEV-REF:带 BLDC 伺服驱动器的 TMC4671 参考设计
  • TMC5240ATJ+T:智能、高性能步进电机控制器和驱动器 IC,带串行通信接口(TMC5072 的单轴版本)
  • TMC4361A-LA-T:用于步进电机驱动器的运动控制器,在快速和加加速度限制的运动曲线应用中提供 S 形斜坡
  • TMC2240ATJ-T:智能集成步进驱动器,带步进/方向和 SPI 接口。

结论

多种因素的结合正在推动许多医学测试和评估朝着更加本地化、快速响应的 PoC 模型发展。高度集成、以应用为中心的 IC(如 AFE、运动控制和身份验证)使这一趋势成为可能。Analog Devices 提供多种高性能、低功耗器件选择,这些器件针对这些应用进行了优化,可满足技术和监管要求。它们还提供面向未来的平台所需的灵活性和可升级性。

温馨提示:以上内容整理于网络,仅供参考,如果对您有帮助,留下您的阅读感言吧!
相关阅读
本类排行
相关标签
本类推荐

CPU | 内存 | 硬盘 | 显卡 | 显示器 | 主板 | 电源 | 键鼠 | 网站地图

Copyright © 2025-2035 诺佳网 版权所有 备案号:赣ICP备2025066733号
本站资料均来源互联网收集整理,作品版权归作者所有,如果侵犯了您的版权,请跟我们联系。

关注微信