时间:2025-04-30 10:35
人气:
作者:admin
OPA317 系列 CMOS 运算放大器不但具备精密的性能,而且价格极具竞争力。这些器件属于采用专有自动校准技术的零漂移系列放大器,在整个时间和温度范围内的偏移电压非常低(最大 90μV)且几乎零漂移,并且静态电流只有 35μA(最大值)。
数据手册:*附件:OPA4317 四通道、低失调电压、轨到轨、IO、运算放大器技术手册.pdf
OPA317 系列放大器 具有 轨到轨输入和输出以及几乎不变的 1/f 噪声特性,因此是许多应用 应用的理想选择,更容易设计到系统中。此类器件经过优化,适合在 1.8V (±0.9V) 至 5.5V (±2.75V) 的低电压状态下工作。
OPA317(单通道版本)提供 SC70-5、 SOT23-5 和 SOIC-8 三种封装。OPA2317(双通道版本)提供 VSSOP-8 和 SOIC-8 两种封装。OPA4317 提供标准 SOIC-14 和 TSSOP-14 两种封装。所有器件版本的额定工作温度范围均为 -40°C 至 +125°C。
特性
引脚功能和配置
典型特性
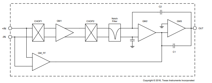
功能方框图
龙腾半导体SGT MOSFET LSGT085R018在智慧农业无