时间:2025-04-30 10:45
人气:
作者:admin
OPA180、OPA2180 和 OPA4180 运算放大器采用 TI 的专有零漂移技术,可同时提供低失调电压(75µV),并随时间推移和温度变化实现接近零漂移的性能。这些高精度、低静态电流微型运算放大器提供高输入阻抗和摆幅在电源轨 18mV之内的轨至轨输出。输入共模范围包括负电源轨。电压范围为 4V 至 36V(±2V 至 ±18V)的单电源或双电源均可使用。
数据手册:*附件:OPA4180 低温漂、四通道、低噪声、轨到轨、36V、零温漂运算放大器技术手册.pdf
双通道版本 可采用 VSSOP-8 封装和 SOIC-8 封装。四通道版本可采用 SOIC-14 和 TSSOP-14封装。单封装和四封装产品(OPA180 和 OPA4180)的额定温度范围为 -40°C 至 +125°C,双封装 (OPA2180) 的额定温度范围为
-40°C 至 +105°C。
特性
• 低失调电压:75μV(最大值)
• 零漂移:0.1μV/°C
• 低噪声:10 nV/√Hz
• 极低 1/f 噪声
• 出色的直流精度:
– 电源抑制比 (PSRR);126dB
– 共模抑制比 (CMRR):114dB
– 开环路增益 (AOL):120dB
• 静态电流:525μA(最大值)
• 宽电源电压:±2V 至 ±18V
• 轨至轨输出:输入包括负电源轨
• 低偏置电流:250pA(典型值)
• 已过滤射频干扰 (RFI) 的输入
• 微型尺寸封装
引脚功能和配置
典型特性
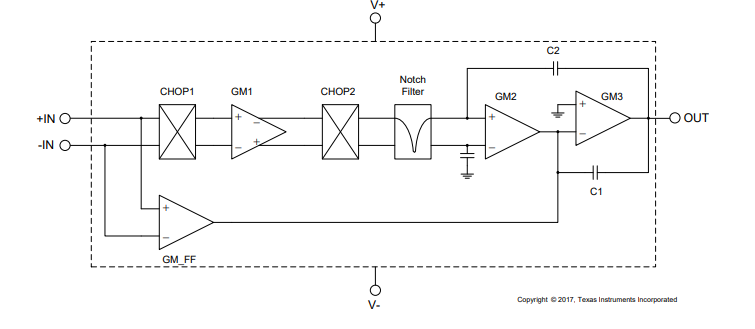
功能方框图
应用范围
• 桥式放大器
• 应力计
• 测试设备
• 传感器 应用
• 温度测量
• 电子称
• 医疗仪表
• 电阻式温度检测器
• 精密有源滤波器
龙腾半导体SGT MOSFET LSGT085R018在智慧农业无