时间:2025-04-23 11:18
人气:
作者:admin
OPA317-Q1 系列 CMOS 运算放大器不但具备精密的性能,而且价格极具竞争力。这些器件属于采用专有自动校准技术的零漂移系列放大器,在整个时间和温度范围内的偏移电压非常低(最大 90μV)且几乎零漂移,并且静态电流只有 35μA(最大值)。
数据手册:*附件:OPA2317-Q1 低偏移、轨到轨 IO 运算放大器技术手册.pdf
OPA317-Q1 系列放大器 具有 轨到轨输入和输出以及几乎不变的 1/f 噪声特性,因此是许多应用 应用的理想选择,更容易设计到系统中。此类器件经过优化,适合在 1.8V (±0.9V) 至 5.5V (±2.75V) 的低电压状态下工作。
OPA317-Q1(单通道版本)提供 SOT23-5 三种封装。OPA2317-Q1(双通道版本)提供 VSSOP-8 两种封装。OPA4317-Q1 提供 TSSOP-14 两种封装。所有器件版本的额定工作温度范围均为 -40°C 至 +125°C。
特性
• 适用于汽车电子 应用
• 具有符合 AEC-Q100 标准的下列结果:
– 器件温度 1 级:-40℃ 至 +125℃ 的环境运行温度范围
– 器件人体放电模型 (HBM) 静电放电 (ESD) 分类等级 3A
– 器件带电器件模型 (CDM) ESD 分类等级 C6
• 电源电压:1.8V 至 5.5V
• 微型封装:
– 单通道:SOT23-5
– 双通道:VSSOP-8
– 四通道:TSSOP-14
• 低偏移电压:20μV(典型值)
• 共模抑制比 (CMRR):108dB(典型值)电源抑制比 (PSRR)
• 静态电流:35μA(最大值)
• 增益带宽:300kHz
• 轨到轨输入和输出
• 内部电磁干扰 (EMI) 和内部射频干扰 (RFI) 滤波功能
引脚功能和配置
典型特性
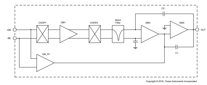
功能方框图
应用
• 混合动力汽车-电动汽车 (HEV-EV) 动力传动
• 高级驾驶员辅助系统 (ADAS)
• 自动恒温控制
• 低噪声、低功耗电路
• 航空电子设备、起落装置
• 医疗器械
• 电流感测
龙腾半导体SGT MOSFET LSGT085R018在智慧农业无