时间:2025-04-14 10:49
人气:
作者:admin
OPA810 是一款具有偏置电流(皮安 (pA) 范围内)的单通道、场效应晶体管 (FET) 输入、电压反馈运算放大器。OPA810 具有 140MHz 的小信号单位增益带宽和单位增益稳定性,并且可在每通道 3.7mA 的低静态电流 (IQ) 下提供出色的直流精度和动态交流性能。OPA810 采用德州仪器 (TI) 专有的高速 SiGe BiCMOS 工艺制造,在类似的静态功耗级别下与同类 FET 输入放大器相比,性能得到显著提高。OPA810 具有 70MHz 的增益带宽积 (GBWP)、200V/µs 的压摆率和 6.3nV/√Hz 的低噪声电压,适合各种高保真数据采集和信号处理应用。
数据手册:*附件:OPA810 单通道、高性能、27V、140MHz、RRIO FET输入运算放大器技术手册.pdf
OPA810 具有轨到轨输入和输出,可提供 75mA 的线性输出电流,适用于驱动光电元件和模数转换器 (ADC) 输入或将数模转换器 (DAC) 输出缓冲至重负载中。
OPA810 的额定工业工作温度范围为 –40°C 至 +125°C。是 OPA810 的双通道版本,可采用 8 引脚 SOIC、SOT-23 和 VSSOP 封装。
特性
• 增益带宽积:70MHz
• 小信号带宽:140MHz
• 压摆率:200V/µs
• 宽电源电压范围:4.75V 至 27V
• 低噪声:
– 输入电压噪声: 6.3nV/√Hz (f = 500kHz)
– 输入电流噪声:5fA/√Hz (f = 10kHz)
• 轨到轨输入和输出:
– FET 输入级:2pA 输入偏置电流(典型值)
– 高线性输出电流:75mA
• 输入失调电压:±500µV(最大值)
• 失调电压温漂:±2.5µV/°C(典型值)
• 低功耗:3.7mA/通道
• 工作温度范围:-40°C 至 +125°C
• 双通道版本: OPA2810
引脚功能和配置
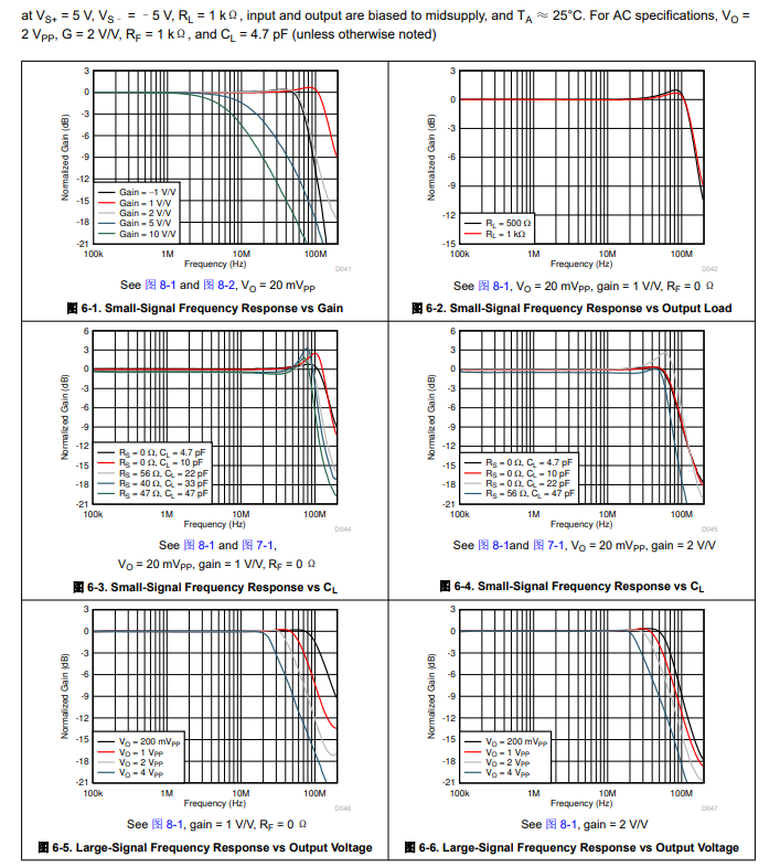
典型特性
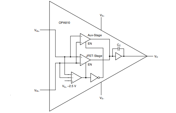
功能方框图
应用
• 宽带光电二极管跨阻放大器
• 模拟输入和输出模块
• 阻抗测量
• 功率分析仪
• 高阻抗电压和电流测量
• 数据采集
• 多通道传感器接口
• 光电驱动器
龙腾半导体SGT MOSFET LSGT085R018在智慧农业无