时间:2025-04-08 09:57
人气:
作者:admin
LM158W、LM258W和LM358W电路由两个独立的高增益运算放大器(运算放大器)组成,它们采用内部频率补偿,专门设计用于在宽电压范围内从单个电源运行。低功率电源漏极与电源电压大小无关。应用领域包括换能器放大器、直流增益块和所有传统运算放大器电路,现在可以更容易地在单个电源系统中实现。例如,这些电路可以直接用逻辑系统中使用的标准+5V供电,并且无需额外电源即可轻松提供所需的接口电子设备。在线性模式下,输入共模电压范围包括地。即使从单个电源电压操作,输出电压也可以摆动到地。
数据手册:*附件:LM258W 低功耗双运算放大器技术手册.pdf
功能
ESD内部保护:2 kV
实施内部频率补偿
大直流电压增益:100 dB
宽带(单位增益):1.1 MHz(温度补偿)
每个操作员的电源电流非常低,基本上与电源电压无关
低输入偏置电流:20 nA(温度补偿)
低输入偏移电压:2 mV
低输入偏移电流:2nA
输入共模电压范围包括接地
差分输入电压范围等于电源电压
大输出电压摆动0 V至(VCC+)-1.5 V
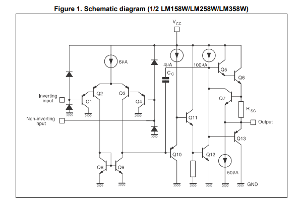
线路图
绝对最大额定值和操作条件
电气特性
特性曲线
龙腾半导体SGT MOSFET LSGT085R018在智慧农业无