时间:2025-04-08 10:03
人气:
作者:admin
该电路由四个采用内部频率补偿的独立高增益运算放大器(运放)组成,专为汽车和工业控制系统设计。
数据手册:*附件:LM2902 低功耗双极性运算放大器技术手册.pdf
该器件可在广泛的电压范围内由单一电源供电运行。此外,也可由多个分离电源供电运行,低功耗电源电流消耗与电源电压大小无关。
功能
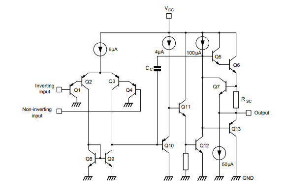
线路图
引脚信息

绝对最大额定值和操作条件
电气特性
电气特性曲线
典型的单电源应用
龙腾半导体SGT MOSFET LSGT085R018在智慧农业无