时间:2025-04-08 10:57
人气:
作者:admin
该电路由两个独立的高增益运算放大器(运算放大器)组成,内部实现了频率补偿。它们是专门为汽车和工业控制系统设计的。该电路在宽电压范围内由单个电源供电。低电源漏极与电源电压的大小无关。
数据手册:*附件:LM2904 低功耗双极性运算放大器技术手册.pdf
应用领域包括换能器放大器、直流增益块和所有传统的运算放大器电路,这些电路现在可以更容易地在单个电源系统中实现。例如,这些电路可以直接由逻辑系统中使用的标准5V供电,并且可以很容易地提供所需的电子接口,而不需要任何额外的电源。
在线性模式下,输入共模电压范围包括地,即使从单个电源操作,输出电压也可以摆动到地。
功能
内部实施频率补偿
大直流电压增益:100 dB
宽带(单位增益):1.1 MHz(温度补偿)
极低的电源电流/放大器,基本上与电源电压无关
低输入偏置电流:20 nA(温度补偿)
低输入偏移电流:2nA
输入共模电压范围包括负轨
差分输入电压范围等于电源电压
大输出电压摆动0 V至[(VCC+)-1.5 V]
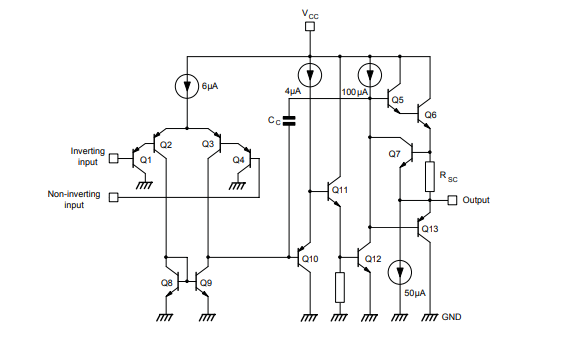
线路图
封装引脚连接
绝对最大额定值和操作条件
电气特性
电气特性曲线
龙腾半导体SGT MOSFET LSGT085R018在智慧农业无