时间:2025-04-10 10:16
人气:
作者:admin
INA333-Q1 是一款具备出色精度的低功耗精密仪表放大器。该器件具有三级运算放大器设计、小尺寸和低功耗,是需要漏电流检测等精密测量的汽车应用的理想选择。此 INA333-Q1 也是使用电阻式电桥传感器的应用的理想选择。
数据手册:*附件:INA333-Q1 汽车类低功耗零漂移精密仪表放大器技术手册.pdf
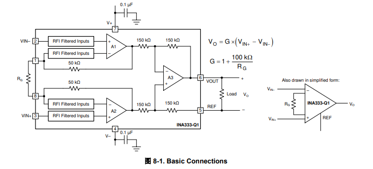
可通过单个外部电阻器在 1 到 1000 范围内设置增益。INA333-Q1 的设计适用业界通用的增益公式: G = 1 + (100kΩ/R G)。
INA333-Q1 提供极低的失调电压(25µV,G ≥ 100)、出色的温漂(0.1µV/°C,G ≥ 100)和高共模抑制(G ≥ 10 时为 96dB)。该器件采用低至 1.8V (±0.9V) 的电源电压,静态电流仅为 50µA。自动校准技术可在汽车温度范围内保持出色的精度。INA333-Q1 提供 1µV 的极低峰峰值噪声。
INA333-Q1 器件采用 8 引脚 VSSOP 封装,额定温度范围为 T A = –40°C 至 +125°C。
特性
• 符合面向汽车应用的 AEC-Q100 标准:
– 温度等级 1:–40°C ≤ TA ≤ +125°C
• 功能安全型
– 可提供用于功能安全系统设计的文档
• 低失调电压:25μV(最大值),G ≥ 100
• 低温漂:0.1μV/°C,G ≥ 100
• 低噪声:50nV/√Hz,G ≥ 100
• 高 CMRR:96dB(最小值),G ≥ 10
• 低输入偏置电流:280pA(最大值)
• 电源电压范围:1.8V 至 5.5V
• 输入电压:(V-) + 0.1V 至 (V+) - 0.1V
• 输出范围:(V-) + 0.05V 至 (V+) - 0.05V
• 低静态电流:50μA
• 工作温度:–40°C 至 +125°C
• RFI 滤波输入
• 封装:8 引脚 VSSOP
引脚功能和配置
典型特性
功能方框图
典型应用
图8-1显示了INA333-Q1运行所需的基本连接。良好的布局实践要求如图所示,使用靠近设备引脚的旁路电容器。INA333-Q1的输出参考输出参考(REF)引脚,该引脚通常接地。这连接必须是低阻抗的,以保持良好的共模抑制。虽然杂散为15Ω或更低在保持规定的CMRR的同时,可以容忍电阻,串联几十欧姆的小杂散电阻使用REF引脚可能会导致CMRR明显退化。
应用
• 动力总成扭矩传感器
• 动力总成压力传感器
• 动力总成温度传感器
• 动力总成爆震传感器
• 车辆乘员检测传感器
• 驾驶员生命体征监测
• 控制面板,基于力传感器的开关
龙腾半导体SGT MOSFET LSGT085R018在智慧农业无