时间:2025-04-10 14:23
人气:
作者:admin
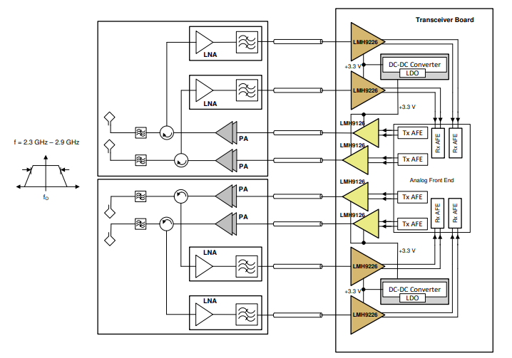
LMH9126是高性能、单通道、差分输入到单端输出的发射RF增益块放大器,支持2.6-GHz中心频带。该设备非常适合支持下一代5G AAS或小型蜂窝应用的要求,同时驱动功率放大器(PA)的输入。RF放大器提供18dB的典型增益,具有35dBm输出IP3的良好线性性能,同时在整个1-dB带宽内保持小于4dB的噪声系数。该设备内部匹配100Ω差分输入阻抗,在输入端提供与射频采样或零中频模拟前端(AFE)的简单接口。此外,该器件内部匹配50Ω单端输出阻抗,便于与后置放大器、SAW滤波器或PA接口。
数据手册:*附件:LMH9126 具有集成平衡-非平衡变压器的、2.3-2.9GHz、差分至单端低功耗放大器技术手册.pdf
该设备在单个3.3V电源上运行,仅消耗375 mW的有功功率,适用于高密度5G大规模MIMO应用。此外,该器件采用节省空间的2-mm×2-mm 12引脚QFN封装。该设备的额定工作温度高达105°C,可提供稳健的系统设计。有一个1.8V JEDEC兼容的掉电引脚可用于快速掉电和加电,适用于时分双工(TDD)系统。
特征
1•单通道,差分输入到单端输出射频增益块放大器
•整个频带的典型增益为18 dB
•3.5 dB噪声系数
•35 dBm OIP3
•18 dBm输出P1dB
•3.3V单板功耗375 mW供应
•最高105°C TC工作温度
引脚功能和配置
典型特性
功能方框图
典型应用
应用
•GSPS DAC的差分DAC输出驱动器
•差分到单端转换
•巴伦替代品
•小型蜂窝或m-MIMO基站
•5G有源天线系统(AAS)
•无线蜂窝基站
龙腾半导体SGT MOSFET LSGT085R018在智慧农业无