时间:2025-03-28 09:15
人气:
作者:admin
OPA2675 提供电力线调制解调器驱动器和测试测量应用所需的高输出电流和低失真。 OPA2675 由 4.5 V to 13 V 的电源电压供电运行,消耗 16.5 mA/通道的低静态电流以提供非常高的 1000 mA 输出电流。 OPA2675 通过 850 mA 指定的最小输出电流驱动(在 25°C 下)支持最苛刻的电力线调制解调器要求。
数据手册:*附件:OPA2675 双通道、宽带、大功率输出、电流反馈放大器技术手册.pdf
该器件包括电源控制功能,以尽可能减少系统功耗。两条逻辑控制线实现了四种静态功率设置:全功率、75% 偏置功率、50% 偏置功率和具有主动离线控制功能的离线模式,在输出引脚上存在大信号时,也能提供高阻抗。 OPA2675 的两个通道可以作为单个运算放大器独立使用,也可以配置为差分输入到差分输出的高电流线路驱动器。
特性
• 宽带运行:340 MHz (G = 4 V/V)
• 单位增益稳定:730 MHz (G = 1 V/V)
• 高输出电流: ±1000 mA
• 发生 TDMA 事件时采用主动离线模式
• 可调功耗模式:
– 满偏置模式:16.5 mA/通道
– 75% 偏置模式:12.5 mA/通道
– 50% 偏置模式:8.5 mA/通道
– 离线模式:2.4 mA/通道
• 双极电源电压范围: ±2.5 V 至 6.5V
• 单电源电压范围: 4.5 V 至 13V
• 高压摆率:3500V/µs
• 过热保护电路
• 输出电流限制 (±1.3 A)
引脚配置和功能
典型特性
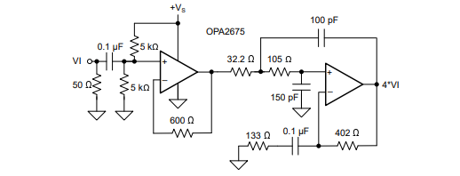
功能方框图
应用
• 电源线调制解调器
• 匹配的 I/Q 通道放大器
• 宽带视频线路驱动器
• ARB 线路驱动器
• 高容性负载驱动器
• 超声波压电式驱动器
典型应用
龙腾半导体SGT MOSFET LSGT085R018在智慧农业无