时间:2025-03-28 13:46
人气:
作者:admin
OPA3S2859-EP 是一款具有 CMOS 输入的宽带低噪声可编程增益放大器,适用于宽带跨阻和电压放大器应用。当将该器件配置为跨阻放大器 (TIA) 时,0.9GHz增益带宽积 (GBWP) 能够在低电容光电二极管 (PD) 应用中实现高闭环带宽。
数据手册:*附件:OPA3S2859-EP 双通道、900MHz、2.2nV √Hz可编程增益跨阻放大器技术手册.pdf
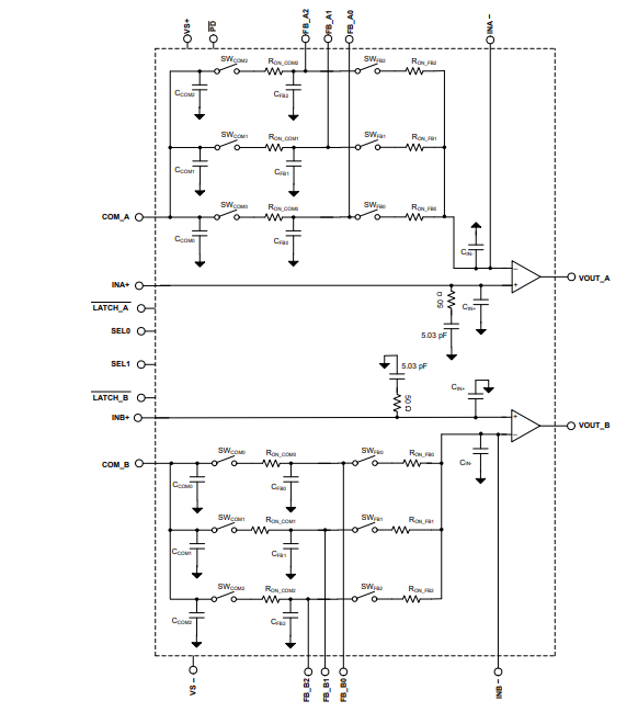
三个内部开关反馈路径以及一个可选的并行非开关反馈路径最多允许四个可选增益配置。与使用分立式外部开关的系统相比,内部开关将更大程度降低寄生影响,从而提高性能。每个开关针对 < 1kΩ 到 > 100kΩ 的反馈电阻值进行了优化,适用于宽动态范围的应用。使用两线制并行接口控制两个通道的选定开关路径。对于所选的每个通道,也可以通过施加锁存引脚来使增益路径保持恒定,这随后会禁用所选通道的开关控制,并防止通道更改增益。
特性
• 增益带宽积:900MHz
• 内部可编程增益开关
• 高阻抗 FET 输入
• 输入电压噪声:2.2nV/√Hz
• 压摆率:350V/μs
• 电源电压范围:3.3V 至 5.25V
• 静态电流:22mA/通道
• 断电模式 IQ:75μA
• 温度范围:-55°C 至 125°C
• 支持国防、航天和医疗应用
– 受控基线
– 一个组装和测试基地
– 一个制造基地
– 延长了产品生命周期
– 延长了产品变更通知
– 产品可追溯性
引脚功能和配置

典型特性
功能框图
应用
• 可切换的跨阻放大器
• 智能弹药
• 激光测距
• 光时域反射计 (OTDR)
• 硅光电倍增器 (SiPM) 缓冲放大器
• 光电倍增管后置放大器
• 高速可编程增益放大器
典型应用
图9-1显示了用于测量OPA3S2859-EP的跨阻抗带宽的电路。反馈网络设置选项。此配置模拟输入端上的光电二极管的阻抗TLA。
龙腾半导体SGT MOSFET LSGT085R018在智慧农业无