时间:2025-03-31 14:34
人气:
作者:admin
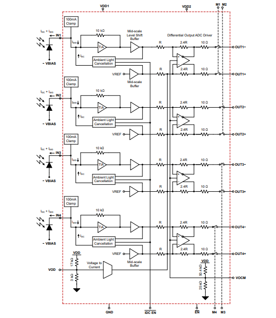
LMH32404-Q1 是一款四通道、单端输入转差分输出跨阻放大器 (TIA),适用于光探测和测距 (LIDAR) 应用和激光测距系统。
数据手册:*附件:LMH32404-Q1 具有集成多路复用功能的汽车类四通道差分输出跨阻放大器技术手册.pdf
LMH32404-Q1 在每个通道上集成了一个 100mA 钳位,可以为放大器提供保护并允许器件迅速从过载输入状况中恢复。 LMH32404-Q1 还在每个通道上提供一个集成式环境光消除 (ALC) 电路,可取代光电二极管与放大器之间的交流耦合,从而节省布板空间和系统成本。测量直流和低频时,应禁用 ALC 回路。
每个 LMH32404-Q1 通道在输出端有集成的开关,用于断开差分输出放大器与输出引脚的连接,并将通道置于待机模式。在不同通道之间切换时,转换时间仅为 10ns。当不使用放大器时,可以使用 EN 引脚将 LMH32404-Q1 置于低功耗模式,以节省能源。
特性
• 符合面向汽车应用的 AEC-Q100 标准:
– 温度等级 1:–40°C 至 +125°C,TA
• 增益:20kΩ
• 性能,CPD = 1pF:
– 带宽:350 MHz
– 输入参考噪声:56nARMS
– 上升,下降时间:1.25ns
• 静态电流:28 mA/通道
• 待机模式:10 mA/通道
• 低功耗模式:2.5mA(4 个通道)
• 通道开关时间:10ns
• 集成式环境光消除
• 集成式 100mA 保护钳位
• 4 个输入通道和 4 个差分输出通道
• 集成的多路复用器可实现光学传感器和 ADC/TDC
之间的灵活配置
• 可以将多个 LMH32404 并联组合,以实现更宽的视
野 (FoV)
引脚功能和配置

典型特性
功能方框图
典型应用
应用
• 机械扫描激光雷达
• 固态扫描激光雷达
• 激光测距仪
• 安全区域扫描仪
龙腾半导体SGT MOSFET LSGT085R018在智慧农业无